- Partiron
- OEM Parts
- Yamaha
- waverunner
- 2015
- VX1100CP (VX) F2X7 2015
ELECTRICAL 2
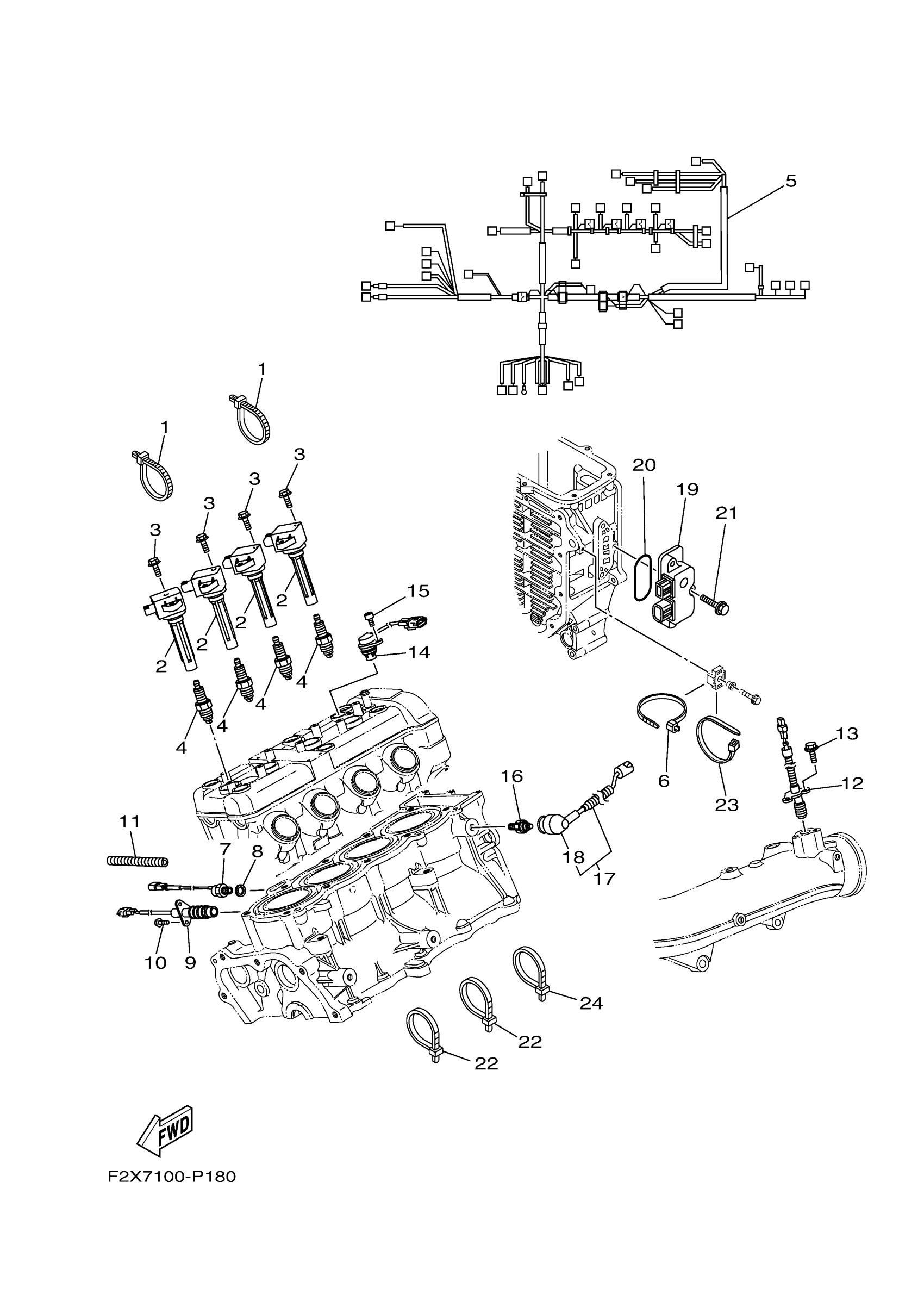
Yamaha VX1100CP (VX) F2X7 2015 ELECTRICAL 2 Diagram
#
Description
Price
4
CR9EB NGK SPLUG 4PK
CR9-EB000-00-00
Unavailable
5
WIRE HARNESS ASSY 1
6EX-8259L-00-00
Unavailable
7
THERMOSENSOR ASSY
61A-85790-01-00
Unavailable
8
WASHER, PLATE
92990-10600-00
Unavailable
9
THERMO SWITCH ASSY
60E-82560-A1-00
Unavailable
10
BOLT, HEXAGON W/W DEEP RECESS
97E95-06416-00
Unavailable
11
TUBE
EU0-67731-00-00
Unavailable
12
THERMO SWITCH ASSY
6D3-82560-01-00
Unavailable
13
BOLT, HEXAGON W/W DEEP RECESS
97E95-06416-00
Unavailable
14
SENSOR, CAM POSITION
60E-85896-02-00
Unavailable
15
BOLT,SOCKET
91380-06016-00
Unavailable
16
OIL PRESSURE SWITCH ASSY
68V-82504-00-00
Unavailable
17
LEAD WIRE ASSY
60E-81315-01-00
Unavailable
18
CAP
60E-82532-01-00
Unavailable
19
EARTH PLATE COMP.
6D3-8273J-02-00
Unavailable
20
O-RING
93210-60ME8-00
Unavailable
21
BOLT, WITH WASHER
90119-06048-00
Unavailable
22
CLAMP
90465-13M18-00
Unavailable
23
BAND
1UA-82591-00-00
Unavailable
24
CLAMP
90465-13M18-00
Unavailable
