- Partiron
- OEM Parts
- Yamaha
- waverunner
- 2025
- VX1050FB (VX) F4NX 2025
REPAIR KIT 1
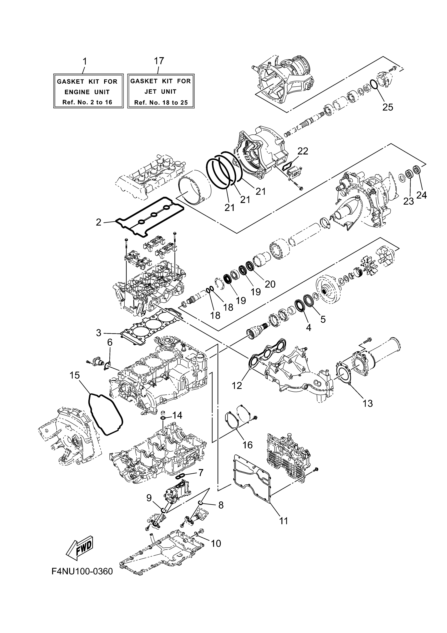
Yamaha VX1050FB (VX) F4NX 2025 REPAIR KIT 1 Diagram
#
Description
Price
1
GASKET KIT FOR ENGINE UNIT
6KU-W0001-01-00
Unavailable
2
. GASKET, HEAD COVER 1
6EY-11193-00-00
Unavailable
3
GASKET, CYLINDER H
6EY-11181-01-00
Unavailable
4
. OIL SEAL
93101-40001-00
Unavailable
5
. OIL SEAL
93101-40002-00
Unavailable
7
. GASKET
6EY-13563-00-00
Unavailable
8
. GASKET
6EY-13477-00-00
Unavailable
9
. GASKET
6EY-13476-00-00
Unavailable
11
. GASKET
6EY-15453-01-00
Unavailable
12
. GASKET, EXHAUST PIPE
6GA-14613-00-00
Unavailable
13
. GASKET, MUFFLER DAMPER 2
6JS-14749-00-00
Unavailable
14
. O-RING
93210-17010-00
Unavailable
15
. GASKET, CRANKCASE COVER 2
6EY-15461-00-00
Unavailable
16
. GASKET, 2
6EY-15463-01-00
Unavailable
17
GASKET KIT FOR JET UNIT
6JS-W0001-2A-00
Unavailable
18
. O-RING
93210-19812-00
Unavailable
19
OIL SEAL(62T)
93101-25M55-00
Unavailable
20
OIL SEAL
93101-24001-00
Unavailable
21
O-RING
93211-65801-00
Unavailable
22
. O-RING
66V-42414-00-00
Unavailable
23
OIL SEAL
93101-28M66-00
Unavailable
24
OIL SEAL
93101-28002-00
Unavailable
25
O-RING
93210-54010-00
Unavailable
