- Partiron
- OEM Parts
- Yamaha
- waverunner
- 2024
- VX1050FA (VX) F4NR 2024
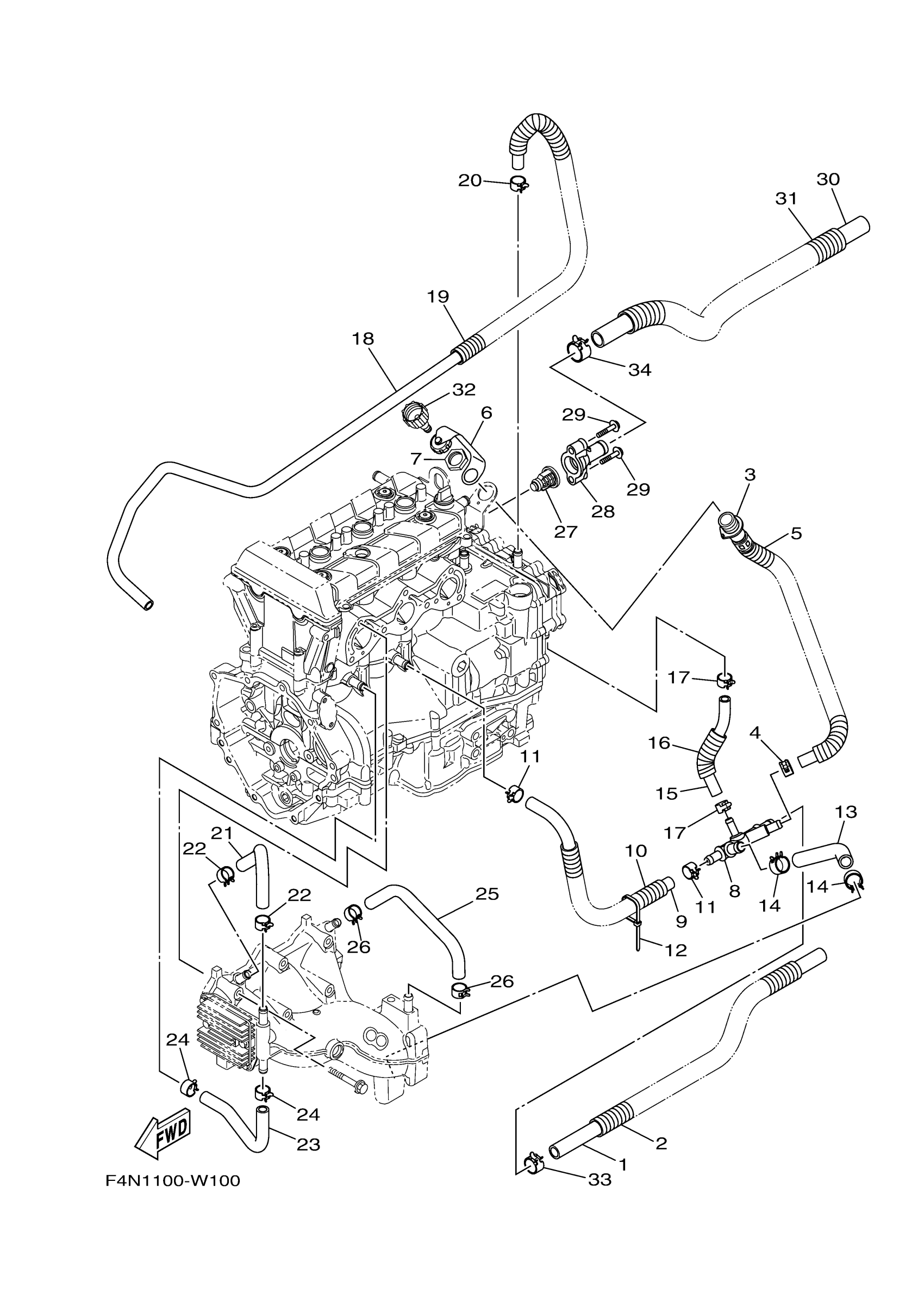
EXHAUST 2
Yamaha VX1050FA (VX) F4NR 2024 EXHAUST 2 Diagram
#
1
HOSE 2
6EY-E243E-00-00
Unavailable
2
PIPE, DRAIN
J0B-F125J-00-00
Unavailable
3
JOINT ASSY
6EY-12580-00-00
Unavailable
4
CLIP
90467-150A5-00
Unavailable
5
HOSE (L420)
90446-24M89-00
Unavailable
6
CAP,1
6EY-84385-00-00
Unavailable
7
NUT
EU0-61652-00-00
Unavailable
8
JOINT, HOSE 3
6EY-12584-00-00
Unavailable
9
HOSE (L400)
90445-18012-00
Unavailable
10
TUBE (L300)
90447-19014-00
Unavailable
11
CLIP
90467-160A0-00
Unavailable
13
HOSE 6
6JS-12589-00-00
Unavailable
14
CLIP
90467-200A3-00
Unavailable
15
HOSE (L160)
90445-16019-00
Unavailable
16
HOSE (L70)
90446-24M44-00
Unavailable
17
CLIP
90467-141A3-00
Unavailable
18
HOSE (L1600)
90445-16020-00
Unavailable
19
TUBE
6EY-24864-00-00
Unavailable
20
CLIP
90467-160A0-00
Unavailable
21
HOSE 2
6EY-12577-00-00
Unavailable
22
CLIP
90467-160A0-00
Unavailable
23
HOSE 4
6S5-12579-00-00
Unavailable
24
CLIP
90467-160A0-00
Unavailable
25
HOSE (L260)
90445-18022-00
Unavailable
26
CLIP
90467-160A0-00
Unavailable
27
THERMOSTAT
6D3-12411-00-00
Unavailable
28
COVER, THERMOSTAT
6EY-12413-00-00
Unavailable
29
BOLT, FLANGE
90105-06035-00
Unavailable
30
HOSE 1
6EY-E243A-00-00
Unavailable
31
TUBE
F4G-U773D-10-00
Unavailable
32
CONDUCTION ASSY (US)
67X-E2590-00-00
Unavailable
33
CLIP
90467-200A3-00
Unavailable
34
CLIP
90467-240A0-00
Unavailable
