- Partiron
- OEM Parts
- Yamaha
- waverunner
- 2017
- VX1050BS (VX CRUISER VX1050BS VX DELUXE) F4GG 2017
ELECTRICAL 2
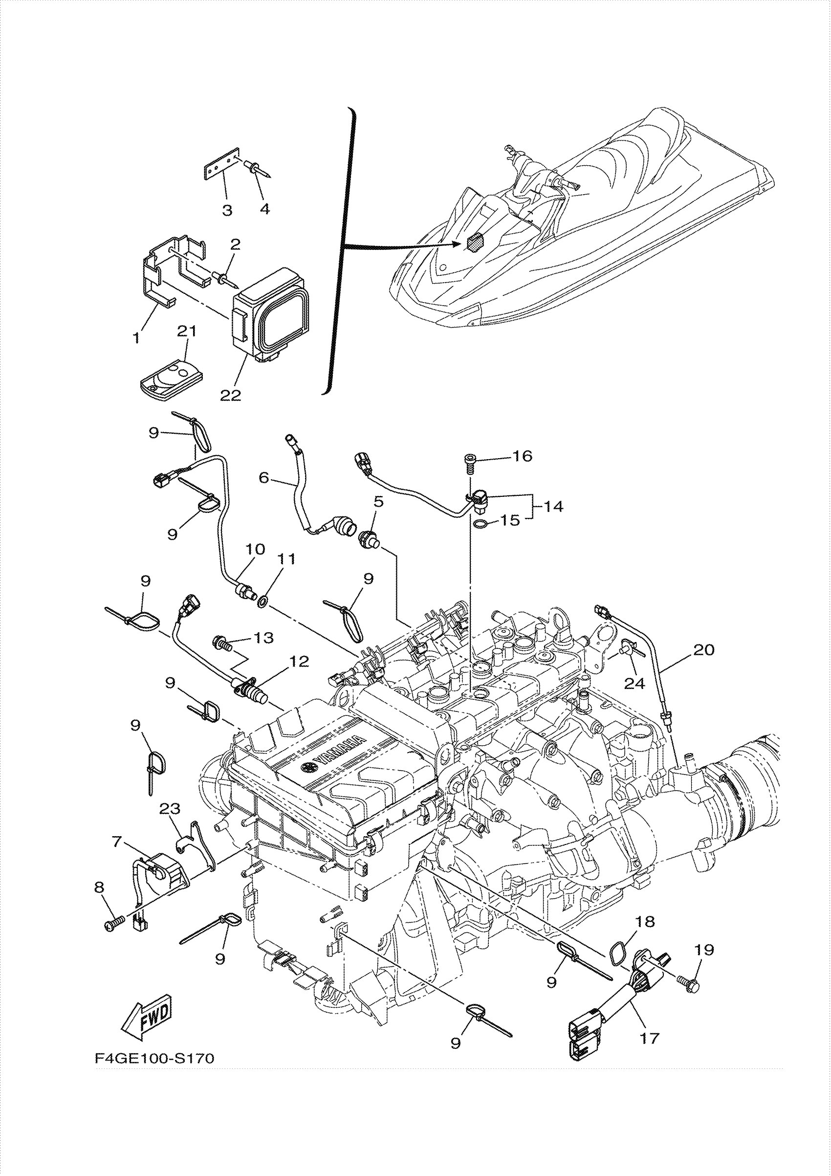
Yamaha VX1050BS (VX CRUISER VX1050BS VX DELUXE) F4GG 2017 ELECTRICAL 2 Diagram
#
Description
Price
1
BRACKET
F1W-U826C-00-00
Unavailable
2
RIVET (EU0)
90267-48938-00
Unavailable
3
PLATE
F1W-U8376-00-00
Unavailable
4
RIVET (EU0)
90267-48938-00
Unavailable
5
OIL PRESSURE SWITCH ASSY
68V-82504-00-00
Unavailable
6
LEAD WIRE ASSY
60E-81315-01-00
Unavailable
7
SWITCH ASSY
60E-8259E-00-00
Unavailable
8
SCREW, TAPPING
97780-60520-00
Unavailable
9
CLAMP
90465-13M18-00
Unavailable
10
THERMOSENSOR ASSY
61A-85790-01-00
Unavailable
11
WASHER, PLATE
92990-10600-00
Unavailable
12
THERMO SWITCH ASSY
6CR-82560-00-00
Unavailable
13
BOLT, HEXAGON W/W DEEP RECESS
97E95-06520-00
Unavailable
14
SENSOR, CAM POSITI
2S3-85896-02-00
Unavailable
16
BOLT,SOCKET
91380-06016-00
Unavailable
17
EARTH PLATE COMP.
6CS-8273J-11-00
Unavailable
18
O-RING (341)
93210-32172-00
Unavailable
19
BOLT, WITH WASHER
90119-06MA3-00
Unavailable
20
THERMOSENSOR ASSY
6DE-85790-00-00
Unavailable
21
XMTR. COMP.
6B6-86261-00-00
Unavailable
22
RECEIVER COMPLETE
6B6-86265-00-00
Unavailable
23
PLATE
6EY-83618-00-00
Unavailable
24
CLAMP
90464-20005-00
Unavailable
