Partiron

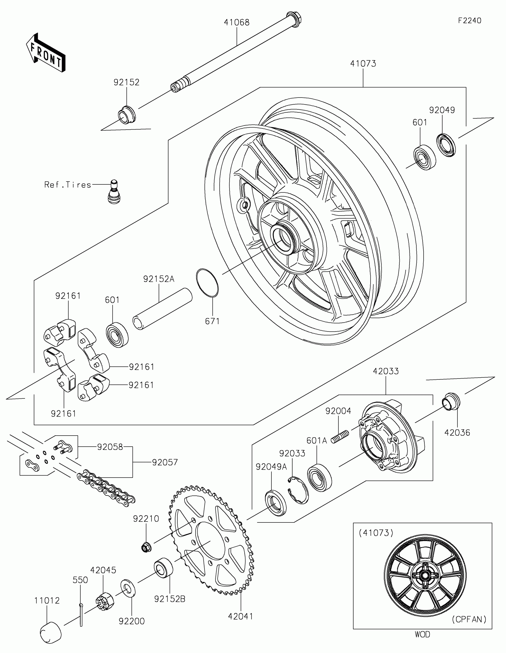
Kawasaki Vulcan® S Rear Wheel/Chain Diagram

#

Description
Price

550

PIN-COTTER,4.0X40

550AA4040

$1.36

601

BEARING-BALL,6204UUC3

601B6204UU

$29.98

601A

BEARING-BALL

601B6205UU

$29.62

671

O RING,60MM

671B2560

$6.91

11012

CAP,AXLE NUT

11012-1590

$5.25

41068

AXLE,RR,18X321.8

41068-0592

$83.51

41073

WHEEL-ASSY,RR,G.BLACK

41073-0654-QT

$885.35

42033

COUPLING-ASSY,RR HUB

42033-0570

$239.47

42036

SLEEVE,RR HUB,L=23

42036-1251

$26.21

42041

SPROCKET-HUB,46T

42041-0087

$78.05

42045

NUT,CASTLE,18MM

42045-018

$9.23

92004

STUD,10X19

92004-0048

$8.51

92033

RING-SNAP,52MM

92033-1043

$8.05

92049

SEAL-OIL,28 47 5

92049-0140

$8.44

92049A

SEAL-OIL

92049-1287

$13.08

92057

CHAIN,DRIVE,EK520MVXL3X120L

92057-0675

$259.42

92058

JOINT-CHAIN,DRIVE

92058-0021

$13.66

92152

COLLAR,RR AXLE,RH,L=17

92152-0302

$16.97

92152A

COLLAR,20.2X28X133

92152-0748

$26.40

92152B

COLLAR,20X35X18

92152-0751

$19.66

92161

DAMPER,SHOCK,RR HUB

92161-0342

$26.13

92200

WASHER,19X36X3.2

92200-0296

$2.61

92210

NUT,LOCK,FLANGED,10MM

92210-0276

$2.61