Partiron

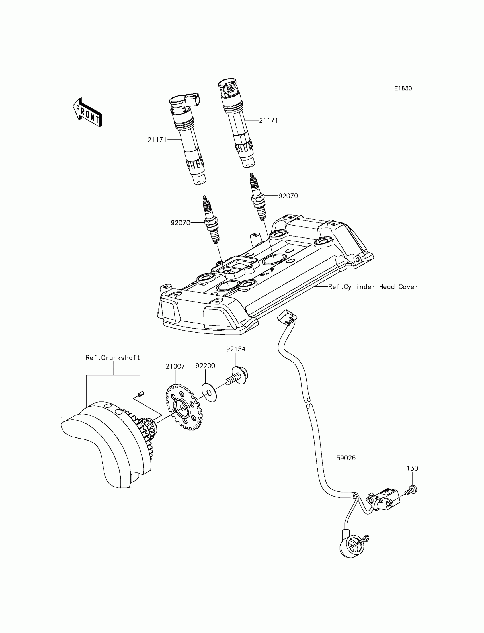
Kawasaki Vulcan® S Ignition System Diagram

#

Description
Price

130

BOLT-FLANGED,5X12

130BA0512

$2.22

21007

ROTOR

21007-0623

$15.65

21171

COIL-ASSY-IGNITION

21171-0033

$118.14

59026

COIL-PULSING

59026-0040

$172.87

92070

PLUG-SPARK,CR9EIA(NGK)

92070-0014

Unavailable

92154

BOLT,FLANGED,8X23

92154-0187

$7.60

92200

WASHER,8.5X28X0.8

92200-0274

$2.15