Partiron

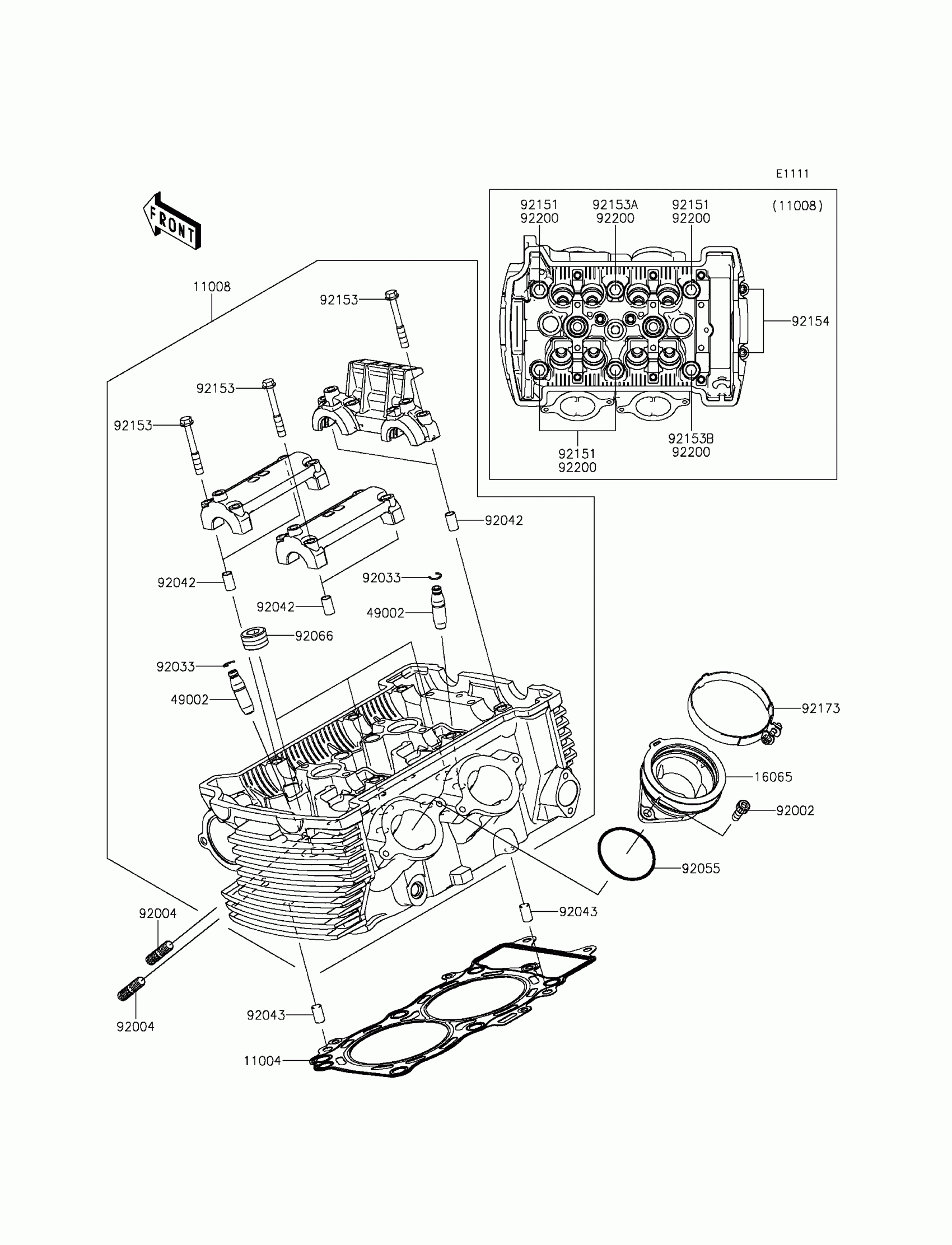
Kawasaki Vulcan® S Cylinder Head Diagram

#

Description
Price

11004

GASKET-HEAD

11004-0064

$77.19

11008

HEAD-COMP-CYLINDER

11008-0844

$1,790.72

16065

HOLDER-CARBURETOR

16065-0128

$37.16

49002

GUIDE-VALVE

49002-1116

$32.48

92002

BOLT,6X16

92002-1143

$3.92

92004

STUD,8X22

92004-0025

$3.87

92033

RING-SNAP

92033-1247

$3.91

92042

PIN,DOWEL,6.3X8X14

92042-007

$5.70

92043

PIN,8X14

92043-1567

$2.26

92055

RING-O,47X1.9

92055-1600

$9.19

92066

PLUG,PT1/2X12.5

92066-0002

$8.98

92151

BOLT,10X158

92151-1152

$14.17

92153

BOLT,6X45

92153-0339

$3.32

92153A

BOLT,FLANGED-SMALL,10X176

92153-0972

$15.20

92153B

BOLT,FLANGED-SMALL,10X80

92153-1321

$15.20

92154

BOLT,SOCKET,6X30

92154-0116

$2.95

92173

CLAMP

92173-0239

$13.49

92200

WASHER,10.5X19X2.3

92200-0363

$3.90