Partiron

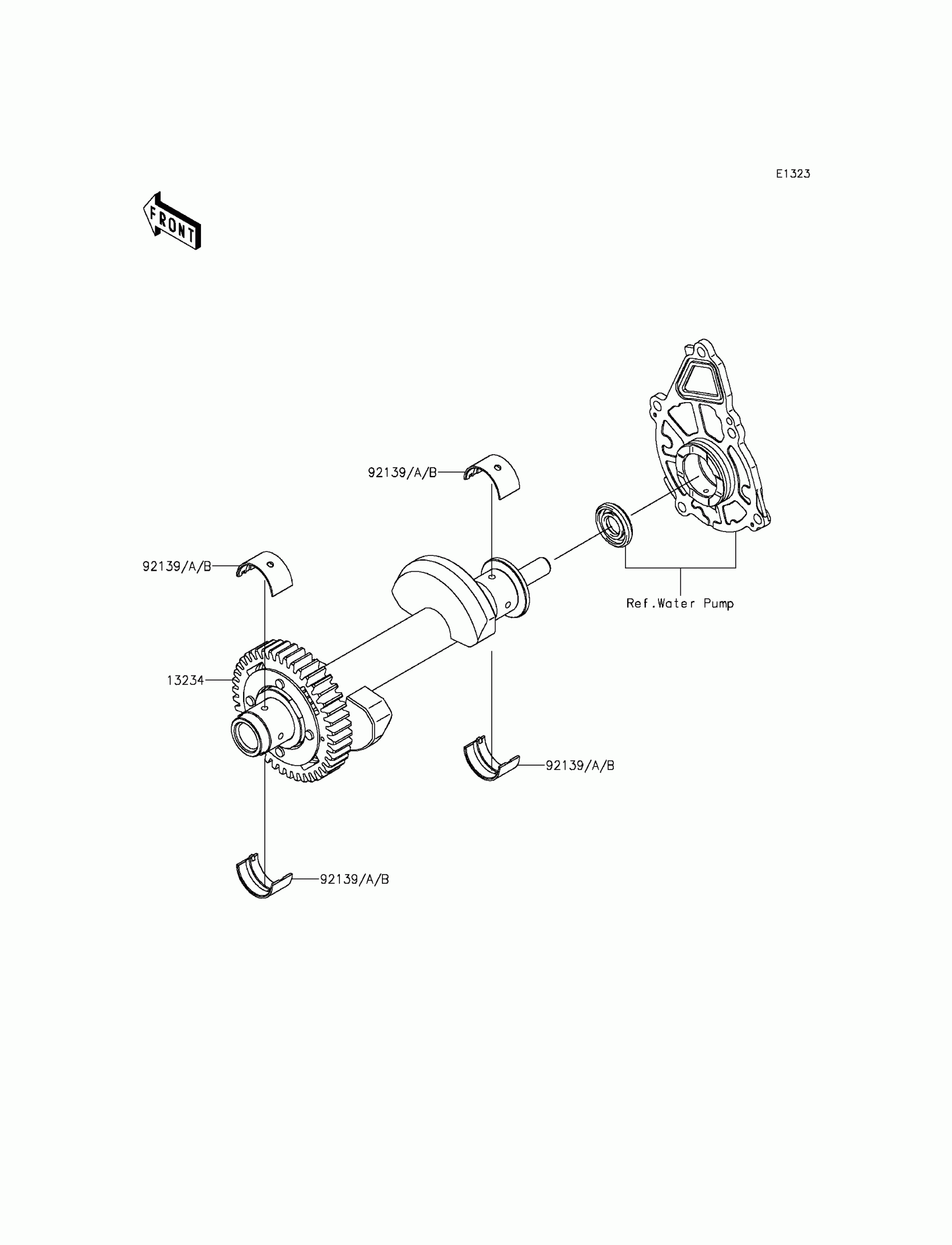
Kawasaki Vulcan® S Balancer Diagram

#

Description
Price

13234

SHAFT-COMP,BALANCER

13234-0043

$415.65

92139

BUSHING,BALANCER,BLUE

92139-0117

$14.14

92139A

BUSHING,BALANCER,BLACK

92139-0118

Unavailable

92139B

BUSHING,BALANCER,BROWN

92139-0119

Unavailable