Partiron

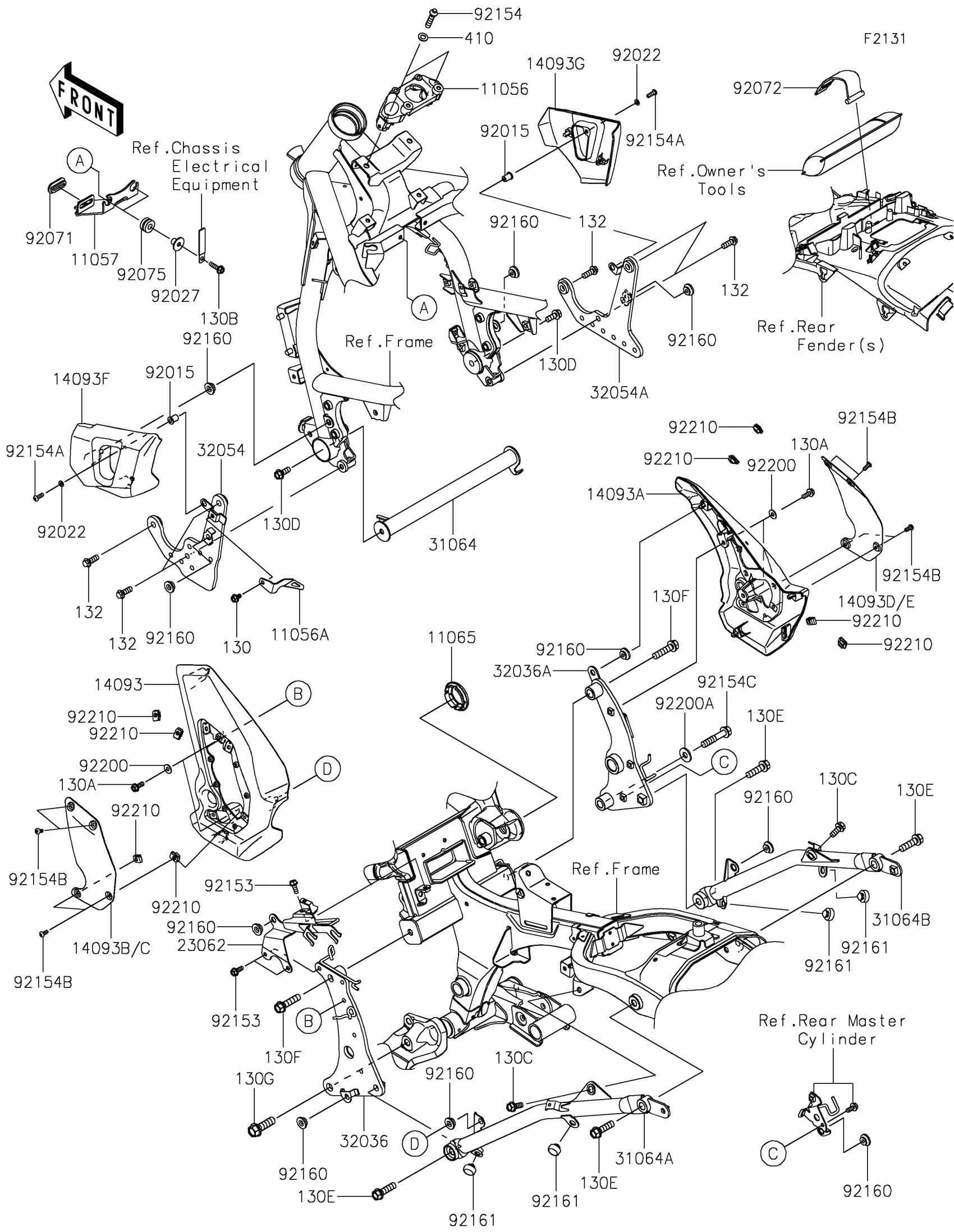
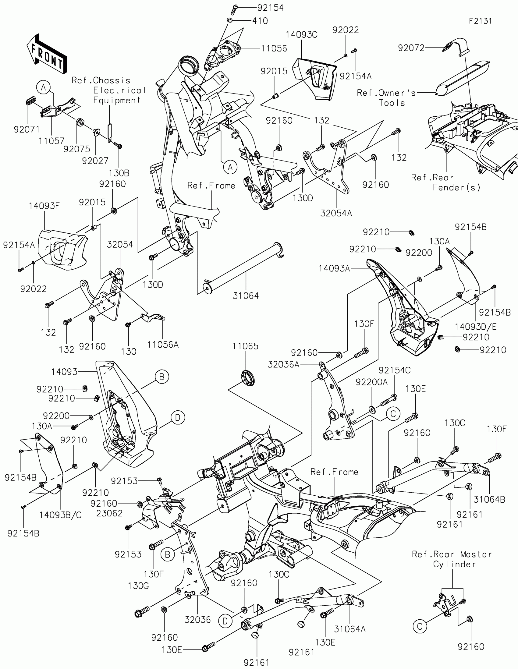
Kawasaki VULCAN® S ABS CAFE Frame Fittings Diagram

#

Description
Price

11056

BRACKET,IGNITION SW.

11056-0805

$49.54

11056A

BRACKET,STEP STAY COVER,LH

11056-4456

$5.23

11057

BRACKET,REGULATOR

11057-0177

$15.41

11065

CAP,SHOCK BKT.,F.S.BLACK

11065-0868-18T

$3.60

130

BOLT-FLANGED,6X10

130BA0610

$1.20

130A

BOLT-FLANGED,6X16

130BA0616

$1.20

130B

BOLT-FLANGED,6X22

130BA0622

$1.29

130C

BOLT-FLANGED,8X20

130BA0820

$4.14

14093

COVER,PIVOT,LH

14093-0115

$85.99

14093A

COVER,PIVOT,RH

14093-0116

$85.99

14093C

COVER,PIVOT,PLATE,LH,EBONY

14093-0117-H8

$81.06

14093E

COVER,PIVOT,PLATE,RH,EBONY

14093-0118-H8

$81.06

14093F

COVER,STEP STAY,LH,F.S.BLACK

14093-0348-18T

$85.99

14093G

COVER,STEP STAY,RH,F.S.BLACK

14093-0349-18T

$85.99

23062

BRACKET-COMP,SIDE COVER

23062-0822

$24.27

31064

PIPE-COMP,FR FRAME

31064-0649

$22.19

31064A

PIPE-COMP,RR,LH,F.S.BLACK

31064-0652-18R

$165.22

31064B

PIPE-COMP,RR,RH,F.S.BLACK

31064-0653-18R

$165.22

32036

BRACKET-SWINGARM,LH

32036-0349

$96.36

32036A

BRACKET-SWINGARM,RH

32036-0350

$96.36

32054

BRACKET-STEP,LH

32054-0075

$169.05

32054A

BRACKET-STEP,RH

32054-0076

$159.16

92015

NUT,WELL,5MM

92015-1757

$7.29

92022

WASHER,5.1X10X1.0

92022-1977

$3.65

92027

COLLAR,L=13.1,BLACK

92027-1450

$6.22

92071

GROMMET

92071-0013

$5.54

92072

BAND,TOOL

92072-0056

$2.32

92075

DAMPER RUBBER,RR FENR

92075-209

$4.69

92153

BOLT,FLANGED,6X16

92153-0713

$2.12

92154

BOLT,TORX,8X35

92154-0730

$7.58

92154A

BOLT,SOCKET,5X16

92154-1470

$1.48

92154B

BOLT,SOCKET,5X12

92154-1471

$1.48

92154C

BOLT,FLANGED,10X50

92154-1620

$6.52

92160

DAMPER

92160-1613

$3.74

92161

DAMPER,10X20X8

92161-0855

$4.25

92200

WASHER,6.5X16X1.0

92200-0796

$0.85

92200A

WASHER,10.2X25X2.3

92200-1686

$1.97

92210

NUT,PLATE,5MM

92210-0935

$1.97

130D

BOLT-FLANGED,8X20

130CA0820

$1.71

130E

BOLT-FLANGED,10X35

130CA1035

$6.75

130F

BOLT-FLANGED,10X40

130CA1040

$2.83

130G

BOLT-FLANGED,12X40

130CB1240

$3.29

132

BOLT-FLANGED-SMALL,8X22

132BB0822

$2.06

410

WASHER-PLAIN-SMALL,8MM

410AA0800

$0.96