- Partiron
- OEM Parts
- Kawasaki
- motorcycle
- 2009
- Vulcan® 900 Custom
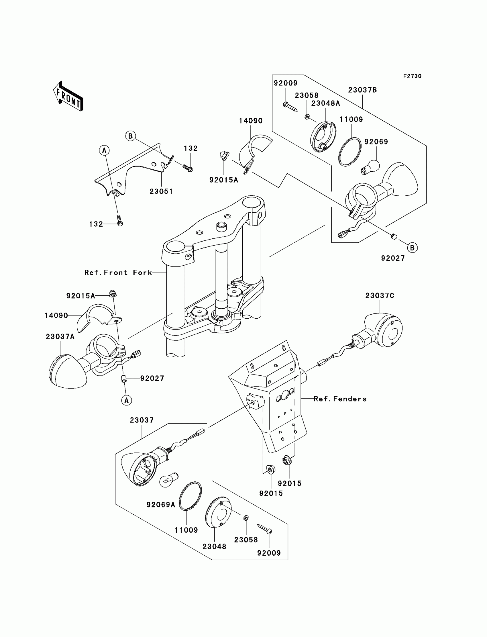
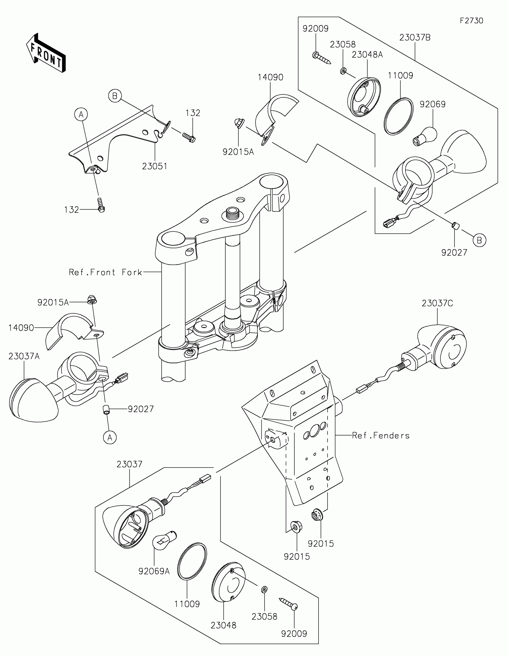
Turn Signals
Kawasaki Vulcan® 900 Custom Turn Signals Diagram
#
Description
Price
92069A
Not Available As Spare Part - Friction Washer
Unavailable
