- Partiron
- OEM Parts
- Kawasaki
- motorcycle
- 2009
- Vulcan® 900 Custom
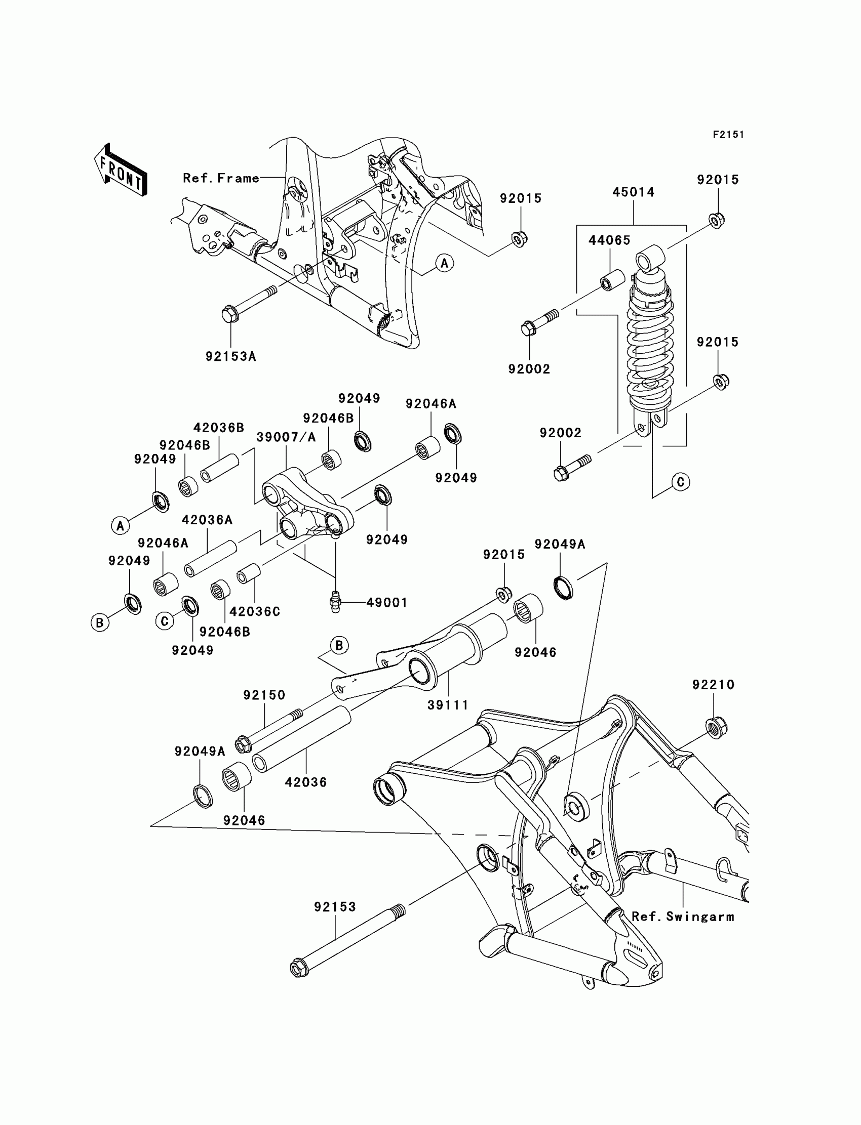
Suspension/Shock Absorber
Kawasaki Vulcan® 900 Custom Suspension/Shock Absorber Diagram
#
Description
Price
Suspension/Shock Absorber
#
Edit ride
