- Partiron
- OEM Parts
- Kawasaki
- motorcycle
- 2009
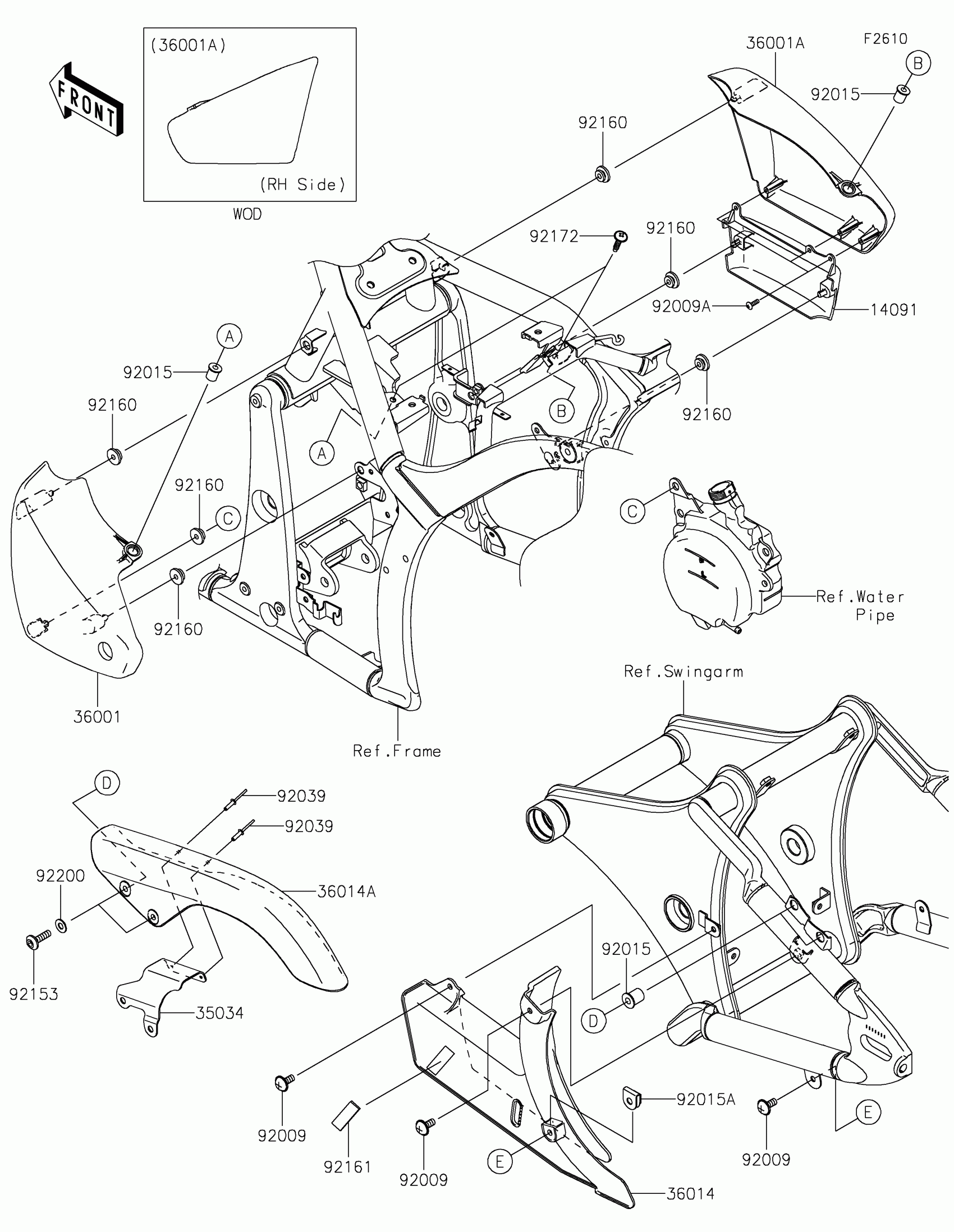
- Vulcan® 900 Custom
Side Covers/Chain Cover
Kawasaki Vulcan® 900 Custom Side Covers/Chain Cover Diagram
#
Description
Price
Side Covers/Chain Cover
#
Edit ride
