Partiron

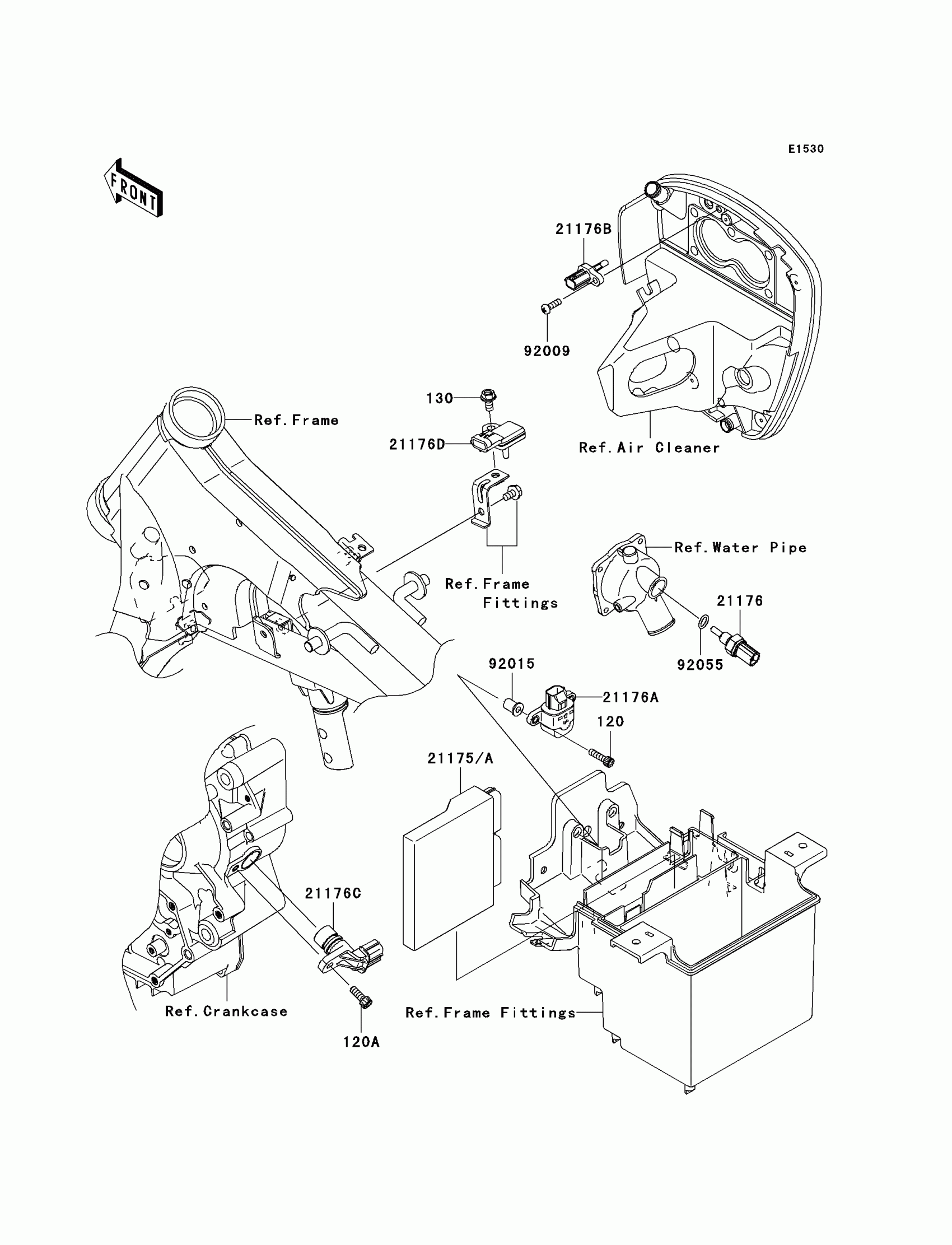
Kawasaki Vulcan® 900 Custom Fuel Injection Diagram

#

Description
Price

120

BOLT-SOCKET,5X20

120CB0520

$2.26

120A

BOLT-SOCKET,6X16

120CB0616

$1.27

130

BOLT-FLANGED,6X12

130BB0612

$2.34

21175A

CONTROL UNIT-ELECTRONIC

21175-0146

$932.24

21176

SENSOR,WATER TEMP

21176-0009

$69.24

21176A

SENSOR

21176-0025

$86.97

21176B

SENSOR,AIR TEMPERATURE

21176-0048

$26.91

21176C

SENSOR,SPEED

21176-0054

$74.54

21176D

SENSOR,PRESSURE

21176-0058

$141.24

92009

SCREW,TAPPING,5X16

92009-1984

$2.58

92015

NUT,WELL,5MM

92015-1757

$7.29

92055

RING-O,9.5X1.9

92055-0016

$8.89