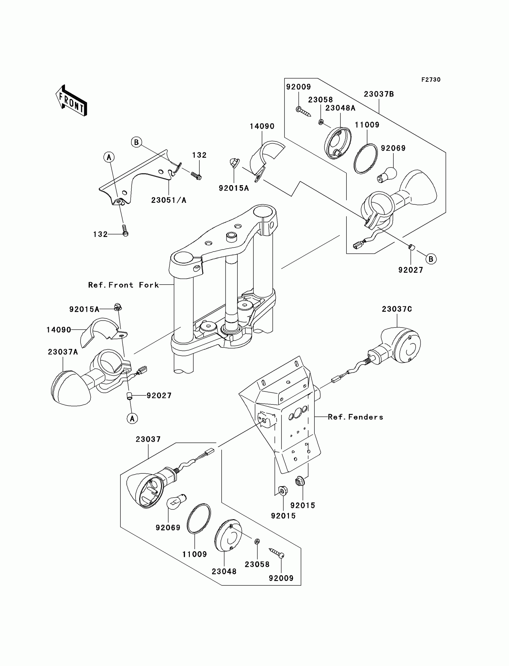
- Partiron
- OEM Parts
- Kawasaki
- motorcycle
- 2009
- Vulcan 900 Custom (European)
Turn Signals
Kawasaki Vulcan 900 Custom (European) Turn Signals Diagram
#
Description
Price
132
BOLT-FLANGED-SMALL,6X20
132E0620
Unavailable
92069
Not Available As Spare Part - Friction Washer
Unavailable
