- Partiron
- OEM Parts
- Kawasaki
- motorcycle
- 2009
- Vulcan 900 Custom (European)
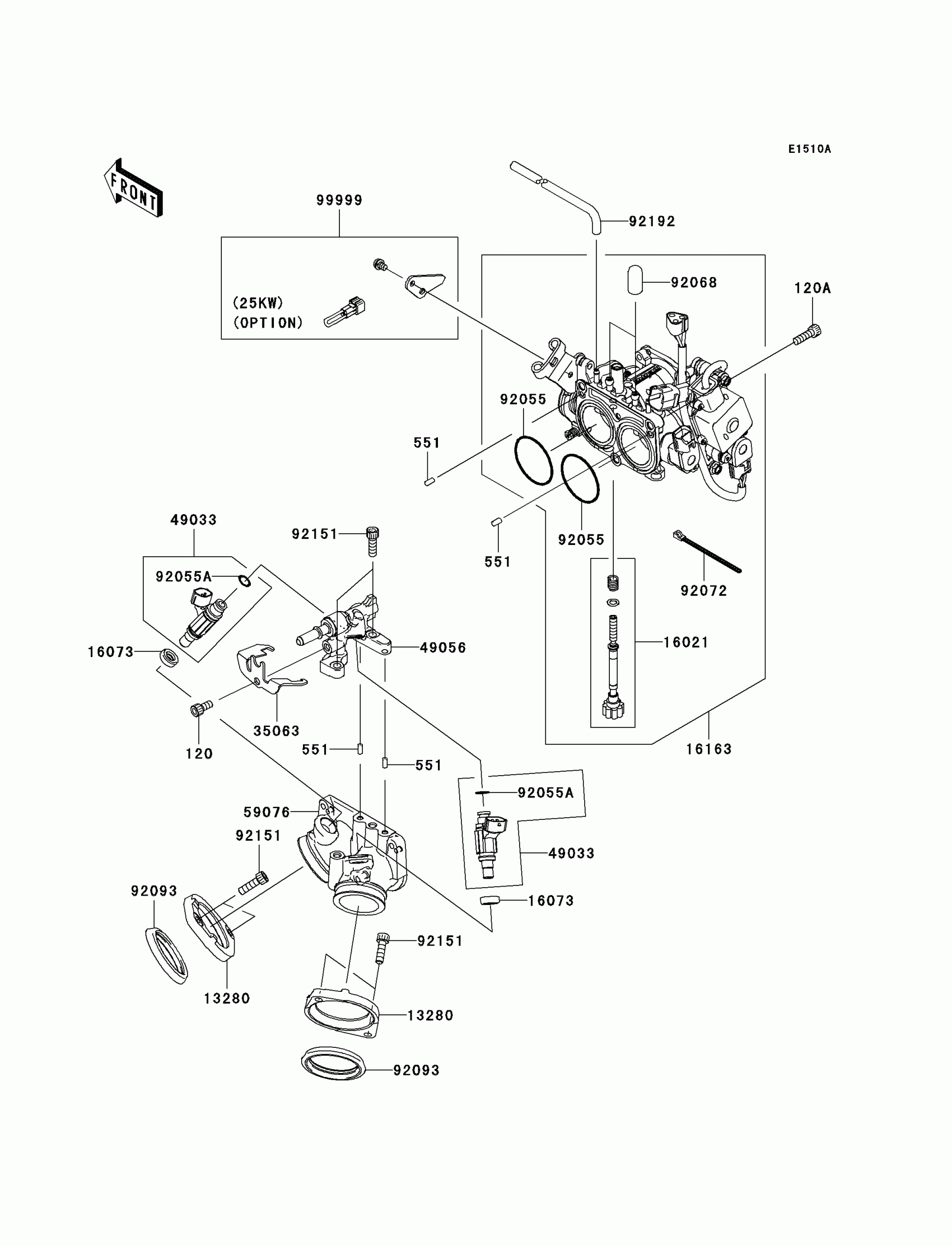
Throttle(C8F/C9FA)
Kawasaki Vulcan 900 Custom (European) Throttle(C8F/C9FA) Diagram
#
Description
Price
Throttle(C8F/C9FA)
#
Edit ride
