Partiron

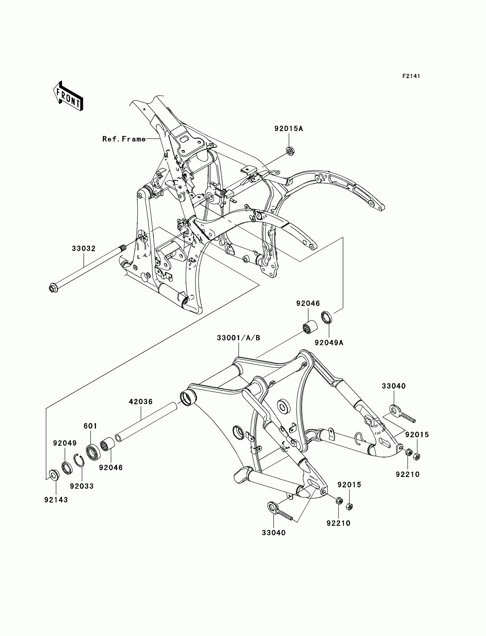
Kawasaki Vulcan 900 Custom (European) Swingarm Diagram

#

Description
Price

601

BEARING-BALL,#6203

601A6203

$14.12

33001B

ARM-COMP-SWING,F.M.GRAY

33001-0100-26M

$1,084.25

33032

SHAFT-SWING ARM

33032-0018

$61.13

33040

ADJUSTER-CHAIN

33040-0005

$41.01

42036

SLEEVE,SWING ARM,L=246

42036-0031

$50.42

92015

NUT,LOCK,10MM

92015-1494

$6.22

92015A

NUT,FLANGED,16MM

92015-1946

$12.74

92033

RING-SNAP,40MM

92033-1040

$5.90

92046

BEARING-NEEDLE,BHTM2530-1

92046-1035

$26.30

92049

SEAL-OIL

92049-1047

$16.33

92049A

SEAL-OIL,MH25334

92049-1060

$8.86

92143

COLLAR,RR AXLE,L=14

92143-1188

$18.89

92210

NUT,FLANGED,10MM

92210-0349

$2.15