- Partiron
- OEM Parts
- Kawasaki
- motorcycle
- 2009
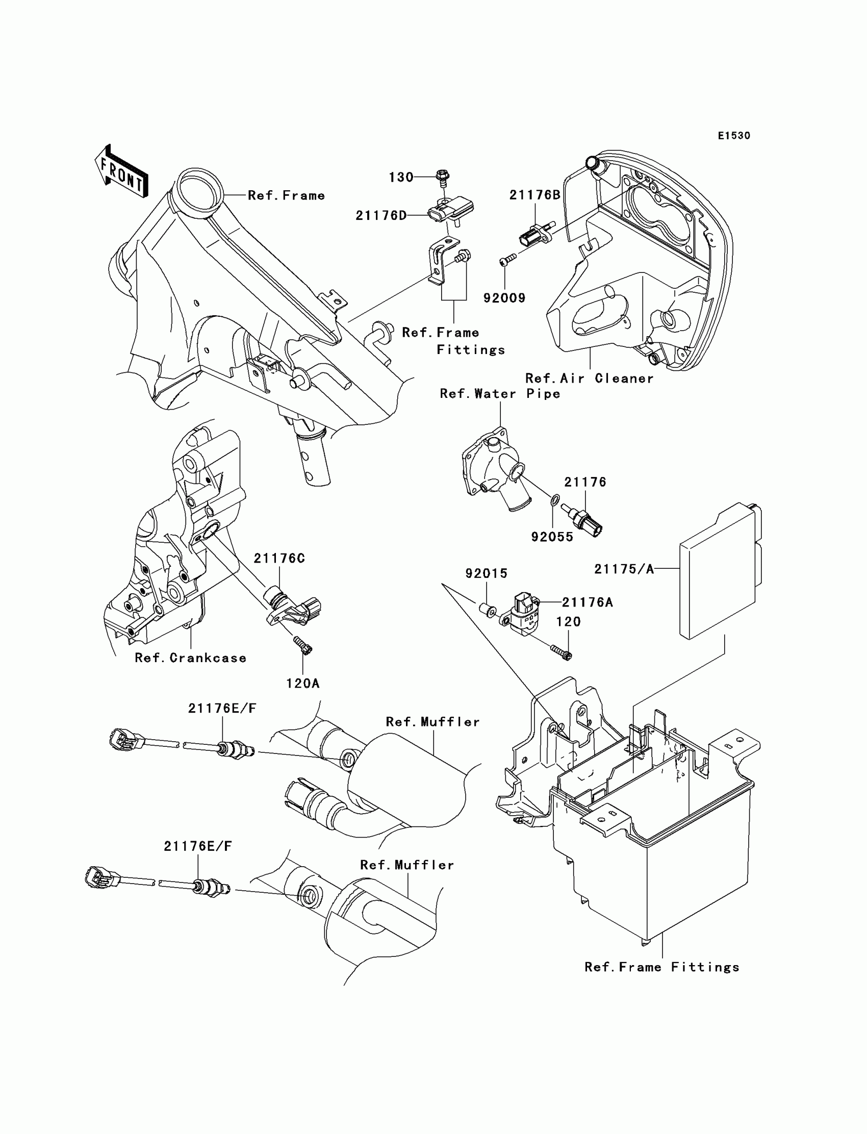
- Vulcan 900 Custom (European)
Fuel Injection
Kawasaki Vulcan 900 Custom (European) Fuel Injection Diagram
#
Description
Price
21175A
CONTROL UNIT-ELECTRONIC
21175-0205
Unavailable
