- Partiron
- OEM Parts
- Kawasaki
- motorcycle
- 2009
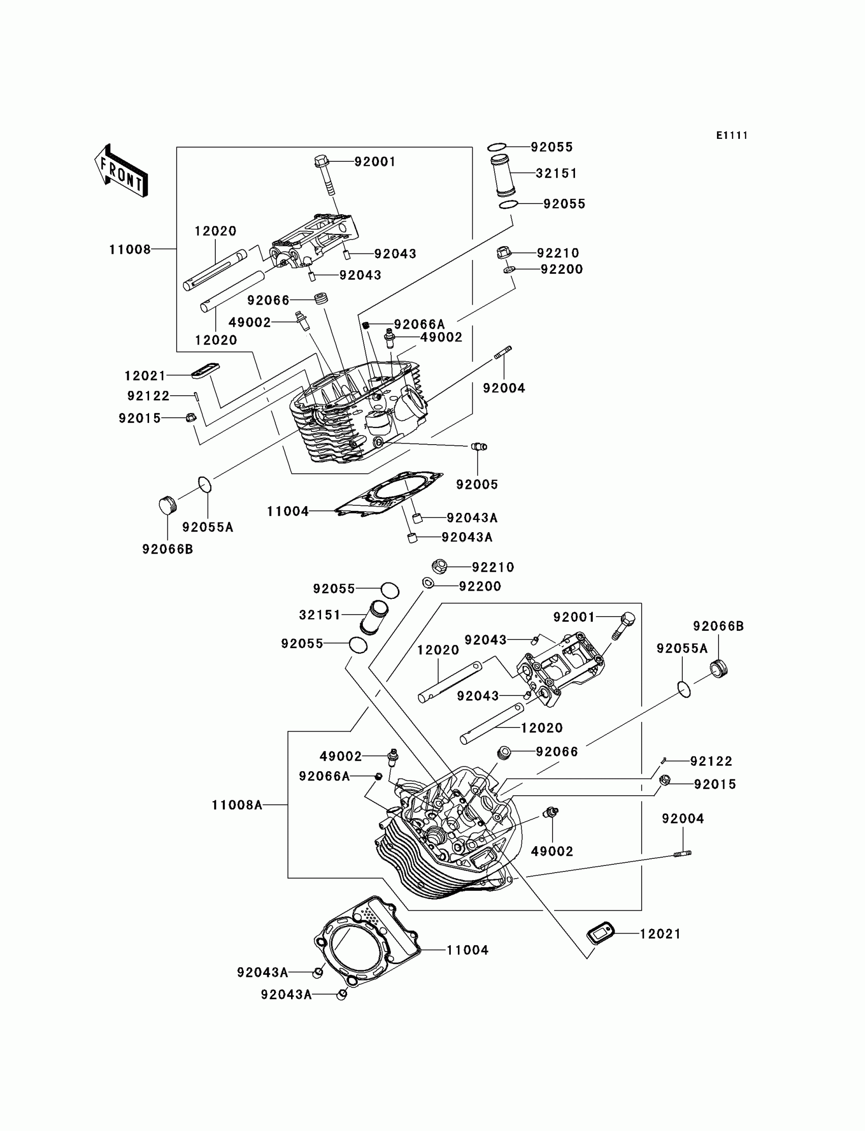
- Vulcan 900 Custom (European)
Cylinder Head
Kawasaki Vulcan 900 Custom (European) Cylinder Head Diagram
#
Description
Price
49002
GUIDE-VALVE
49002-1089
Unavailable
