- Partiron
- OEM Parts
- Kawasaki
- motorcycle
- 2009
- Vulcan® 900 Custom
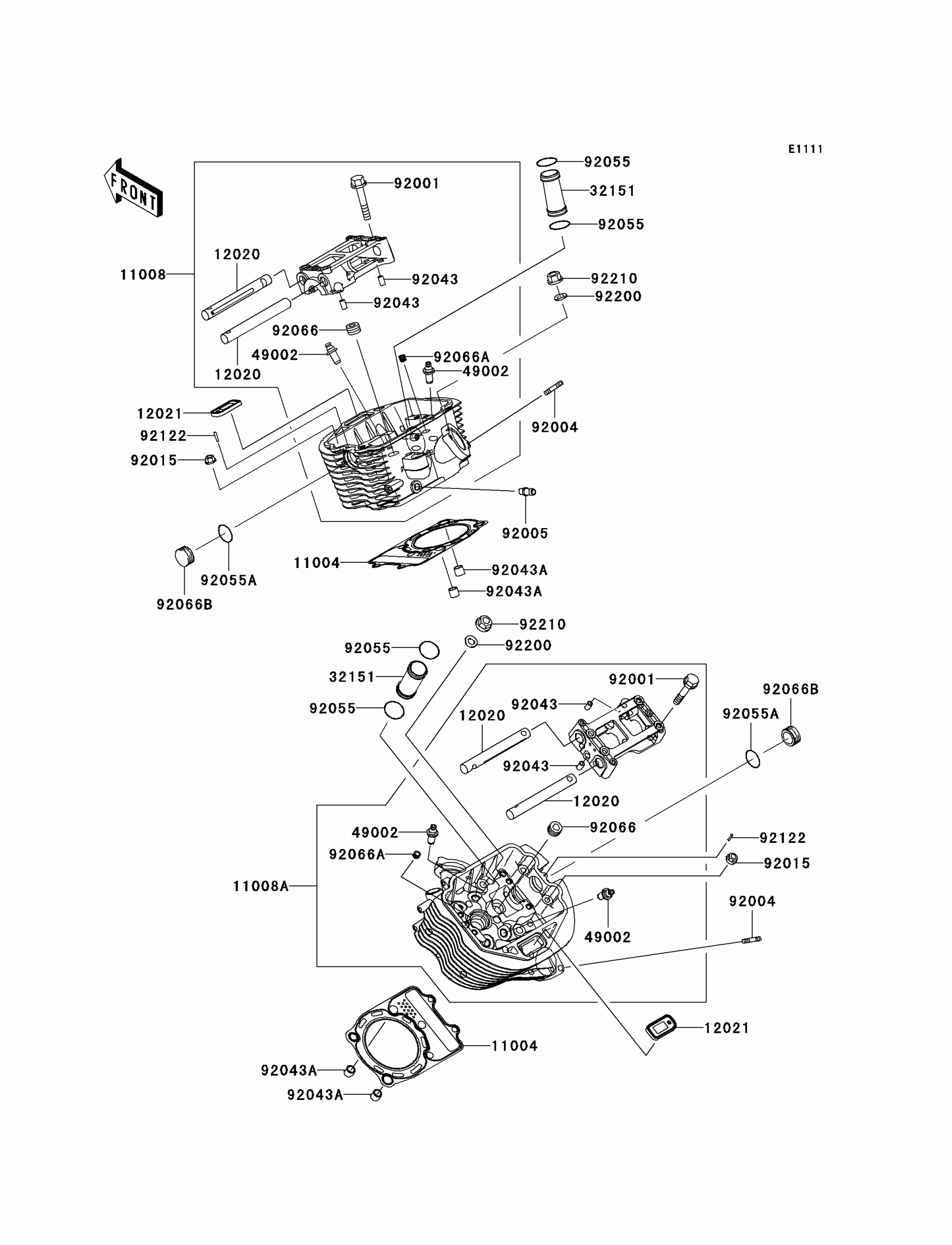
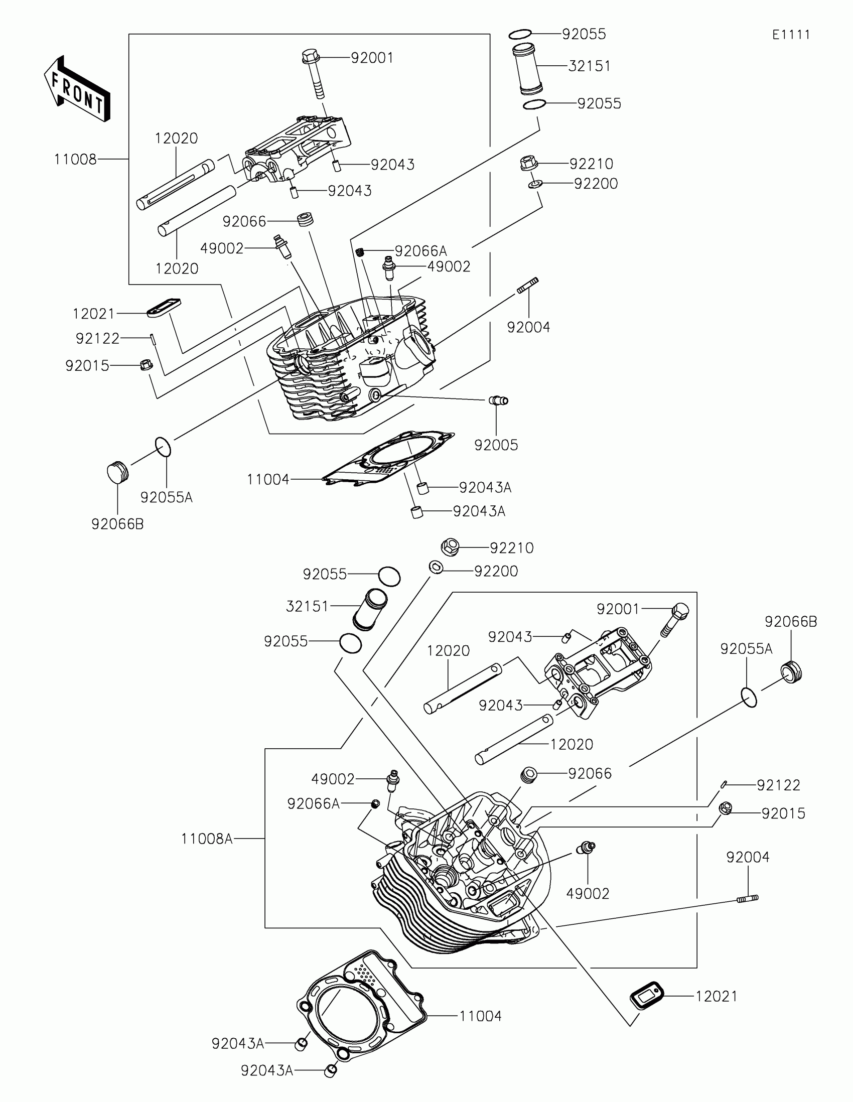
Cylinder Head
Kawasaki Vulcan® 900 Custom Cylinder Head Diagram
#
Description
Price
49002
GUIDE-VALVE
49002-1089
Unavailable
Cylinder Head
#
49002
49002-1089
Unavailable
Edit ride
