- Partiron
- OEM Parts
- Kawasaki
- motorcycle
- 2009
- Vulcan® 900 Custom
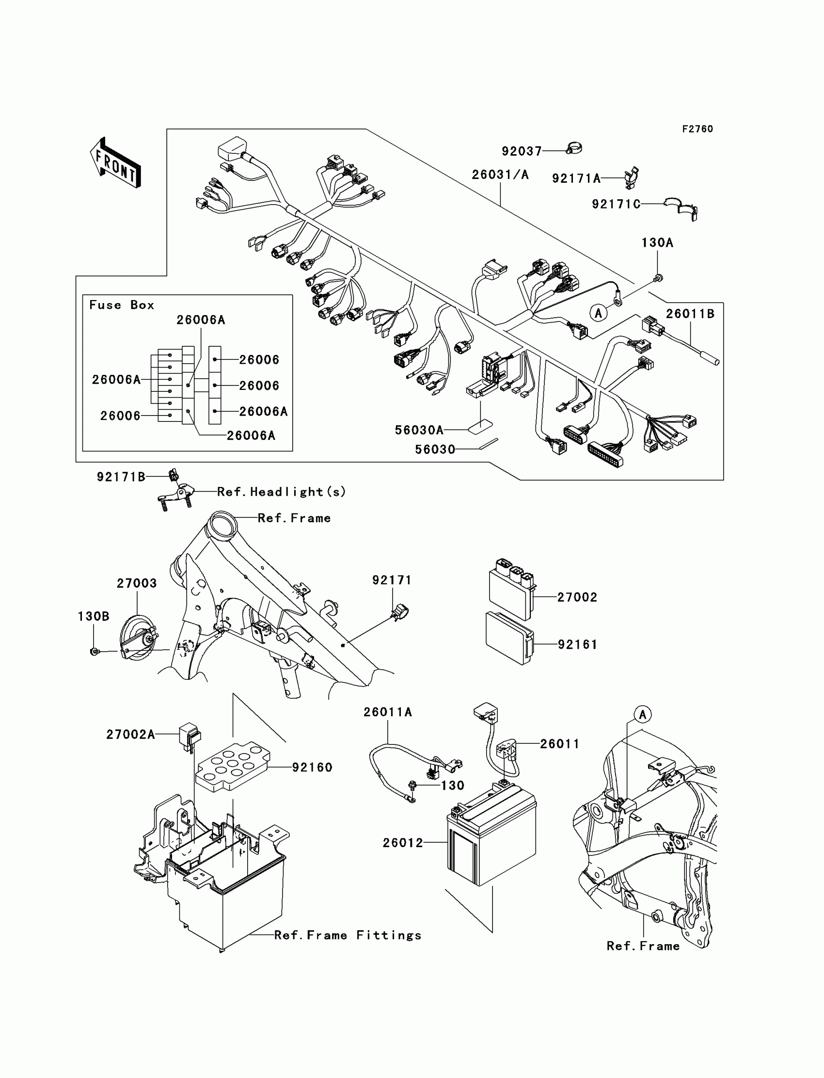
Chassis Electrical Equipment
Kawasaki Vulcan® 900 Custom Chassis Electrical Equipment Diagram
#
Description
Price
26012
BATTERY,YTX12-BS,12V 10AH
26012-0094
Unavailable
27002
RELAY-ASSY
27002-0007
Unavailable
