- Partiron
- OEM Parts
- Kawasaki
- motorcycle
- 2010
- Vulcan® 900 Classic LT
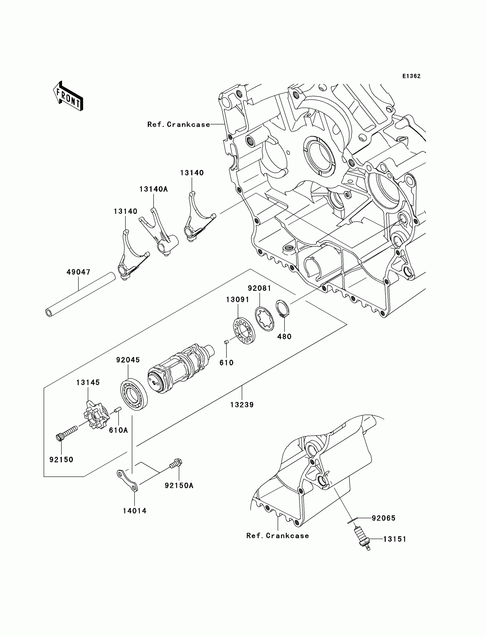
Gear Change Drum/Shift Fork(s)
Kawasaki Vulcan® 900 Classic LT Gear Change Drum/Shift Fork(s) Diagram
#
Description
Price
92045
BEARING-BALL,16005Z
92045-1030
Unavailable
