- Partiron
- OEM Parts
- Kawasaki
- motorcycle
- 2010
- Vulcan® 900 Classic LT
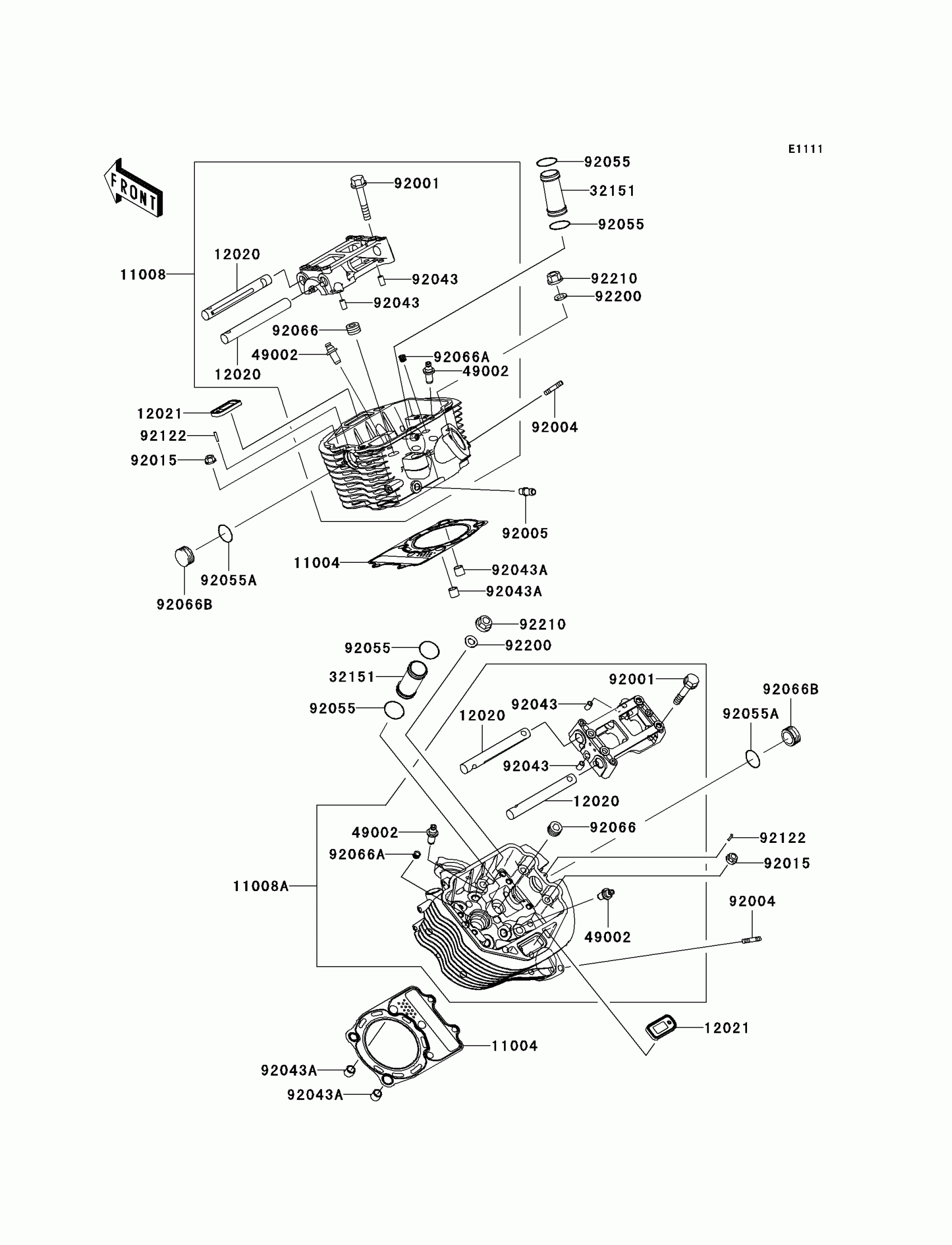
Cylinder Head
Kawasaki Vulcan® 900 Classic LT Cylinder Head Diagram
#
Description
Price
49002
GUIDE-VALVE
49002-1089
Unavailable
