Partiron

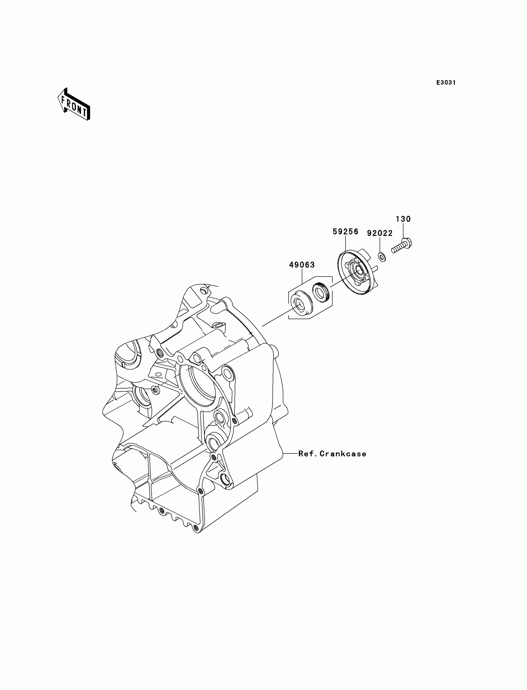
Kawasaki VULCAN 900 CLASSIC (Canadian) Water Pump Diagram

#

Description
Price

130

BOLT-FLANGED,6X22

130BA0622

$1.29

49063

SEAL-MECHANICAL

49063-1055

$20.06

59256

IMPELLER

59256-1073

$36.12

92022

WASHER OIL PUMP BANJO

92022-077

$3.99