- Partiron
- OEM Parts
- Kawasaki
- motorcycle
- 2013
- VULCAN 900 CLASSIC (Canadian)
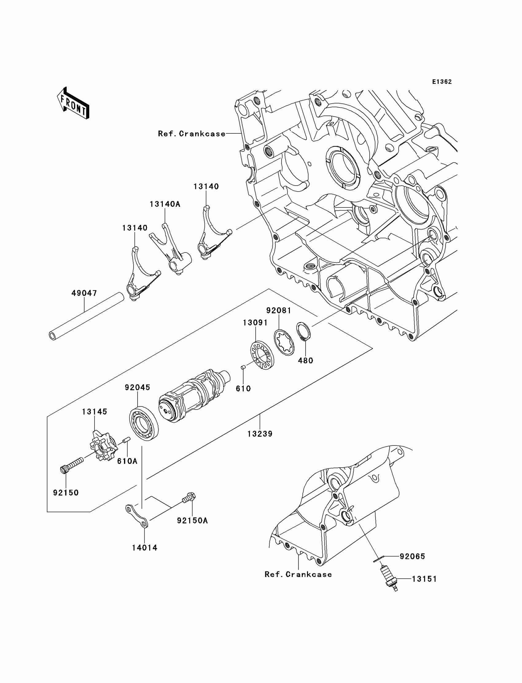
Gear Change Drum/Shift Fork(s)
Kawasaki VULCAN 900 CLASSIC (Canadian) Gear Change Drum/Shift Fork(s) Diagram
#
Description
Price
Gear Change Drum/Shift Fork(s)
#
Edit ride
