- Partiron
- OEM Parts
- Kawasaki
- motorcycle
- 2013
- VULCAN 900 CLASSIC (Canadian)
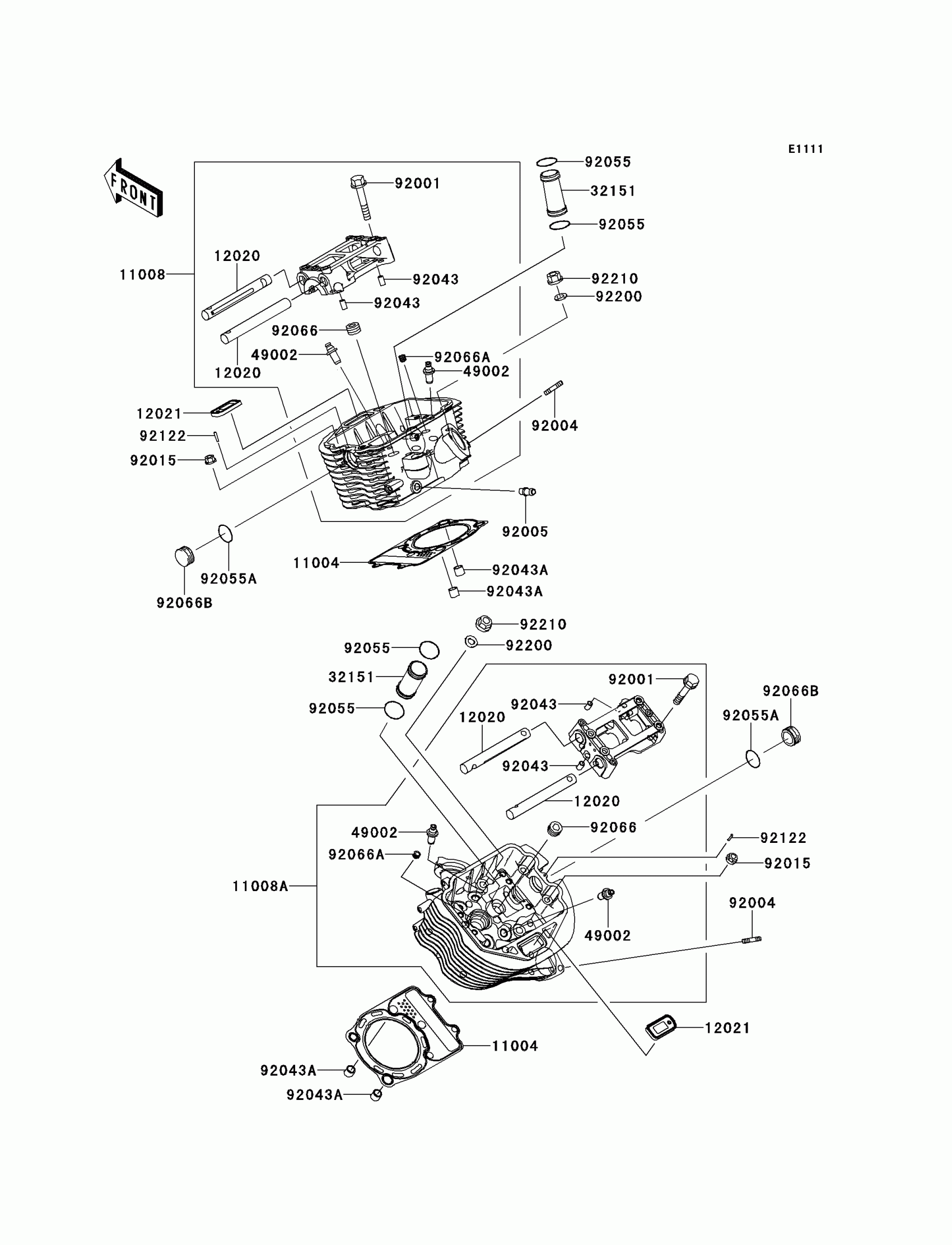
Cylinder Head
Kawasaki VULCAN 900 CLASSIC (Canadian) Cylinder Head Diagram
#
Description
Price
Cylinder Head
#
Edit ride
