- Partiron
- OEM Parts
- Kawasaki
- motorcycle
- 1988
- Vulcan 88 SE
Fuel Evaporative System
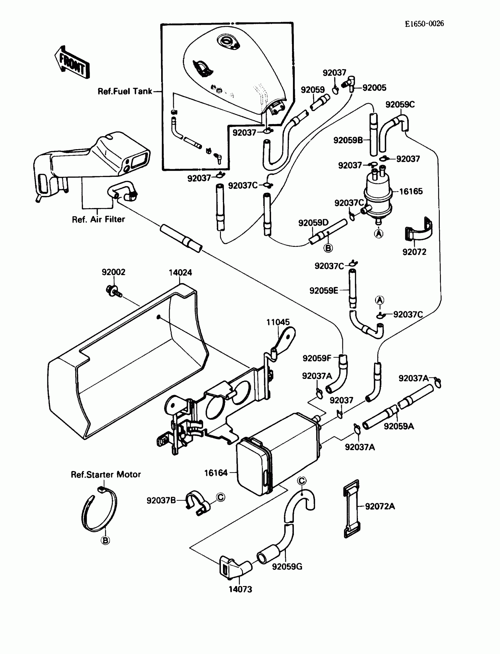
Kawasaki Vulcan 88 SE Fuel Evaporative System Diagram
#
Description
Price
11045
BRACKET,CANISTER
11045-1930
Unavailable
14024
COVER,CANISTER
14024-1546
Unavailable
92037B
CLAMP,HOSE
92037-1689
Unavailable
92059
TUBE,5X8X270,RED
92059-1401
Unavailable
92059B
TUBE,5X8X1100,BLUE
92059-1442
Unavailable
92059C
TUBE,CANISTER-SEPARATOR,BLUE
92059-1867
Unavailable
92059E
TUBE,4X9X1087,WHITE
92059-1871
Unavailable
92059F
TUBE,7X12X945,GREEN
92059-1872
Unavailable
92059G
TUBE,CANISTER
92059-1876
Unavailable
