- Partiron
- OEM Parts
- Kawasaki
- motorcycle
- 1989
- Vulcan 88 SE
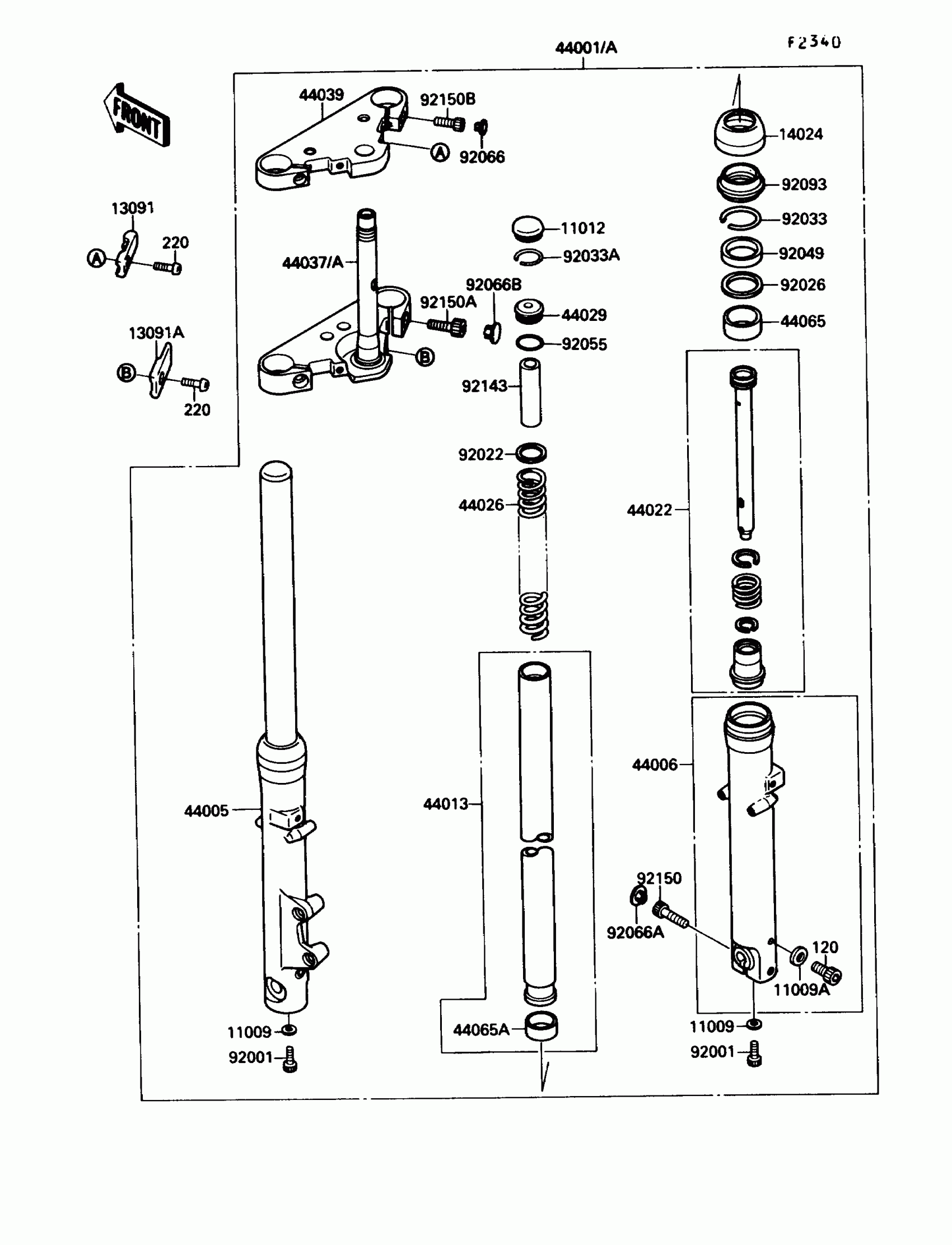
Front Fork
Kawasaki Vulcan 88 SE Front Fork Diagram
#
Description
Price
13091A
HOLDER,LWR
13091-1483
Unavailable
44005
PIPE-LEFT FORK OUTER
44005-1264
Unavailable
44037A
HOLDER-FORK UNDER
44037-1238
Unavailable
44039
HOLDER-FORK UPPER
44039-1156
Unavailable
