- Partiron
- OEM Parts
- Kawasaki
- motorcycle
- 2000
- Vulcan 800 Drifter
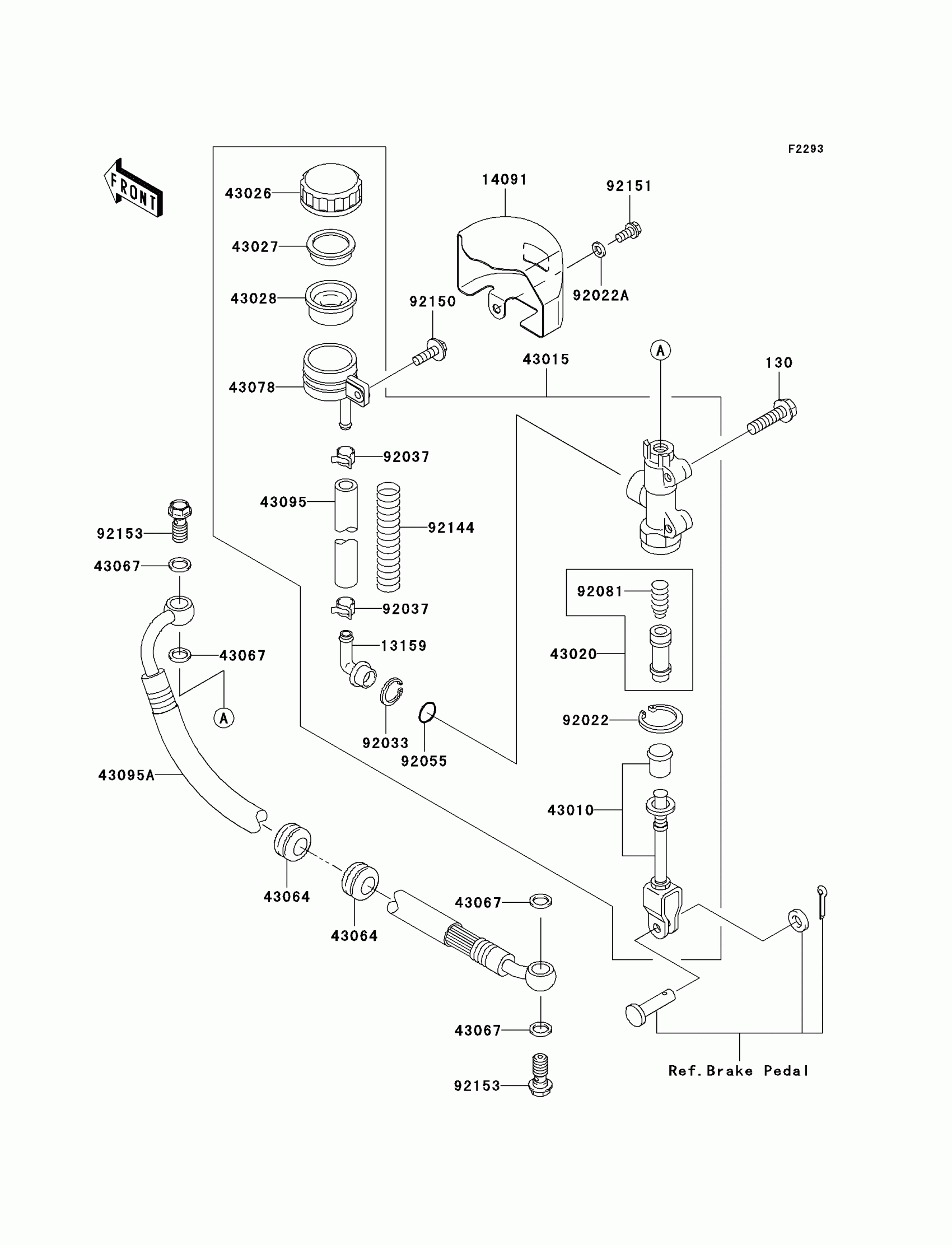
Rear Master Cylinder
Kawasaki Vulcan 800 Drifter Rear Master Cylinder Diagram
#
Description
Price
14091
COVER,RESERVOIR TANK
14091-1124
Unavailable
92022
WASHER,CIRCRIP
92022-1601
Unavailable
92055
RING-O,MASTER CYLINDER
92055-1251
Unavailable
