- Partiron
- OEM Parts
- Kawasaki
- motorcycle
- 2000
- Vulcan 800 Drifter
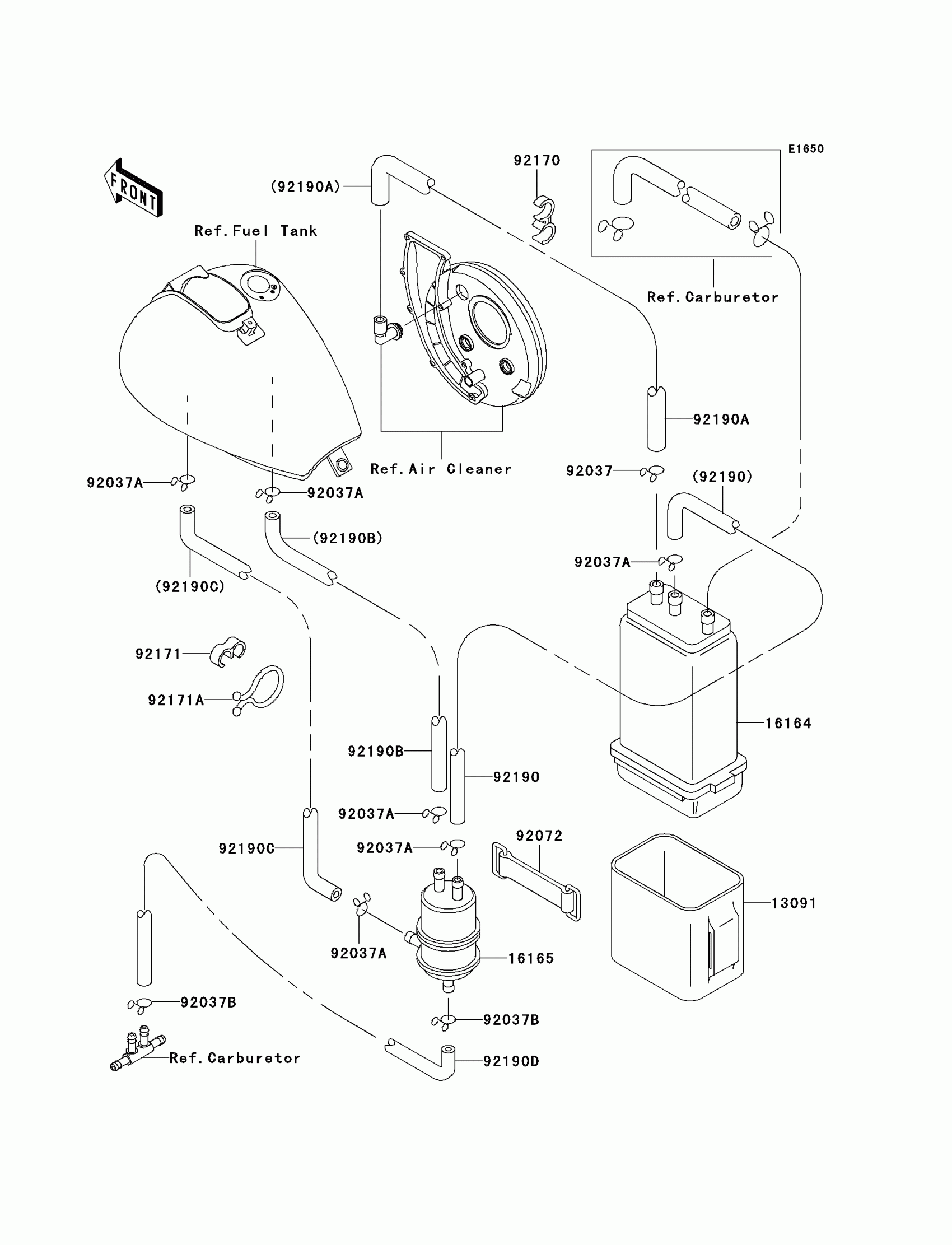
Fuel Evaporative System
Kawasaki Vulcan 800 Drifter Fuel Evaporative System Diagram
#
Description
Price
Fuel Evaporative System
#
Edit ride
