- Partiron
- OEM Parts
- Kawasaki
- motorcycle
- 2005
- Vulcan 800 Drifter
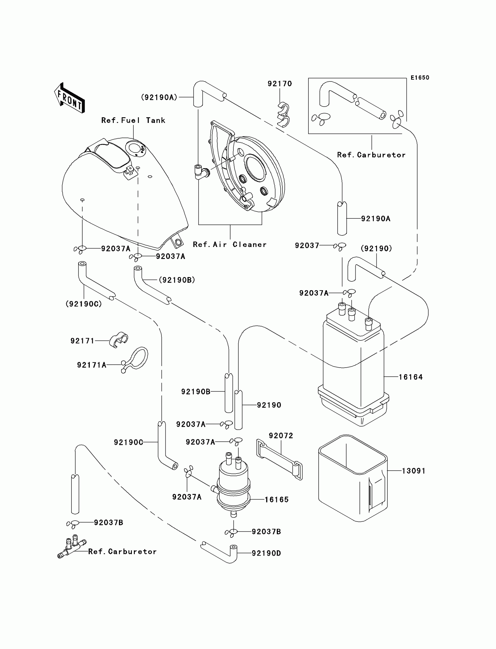
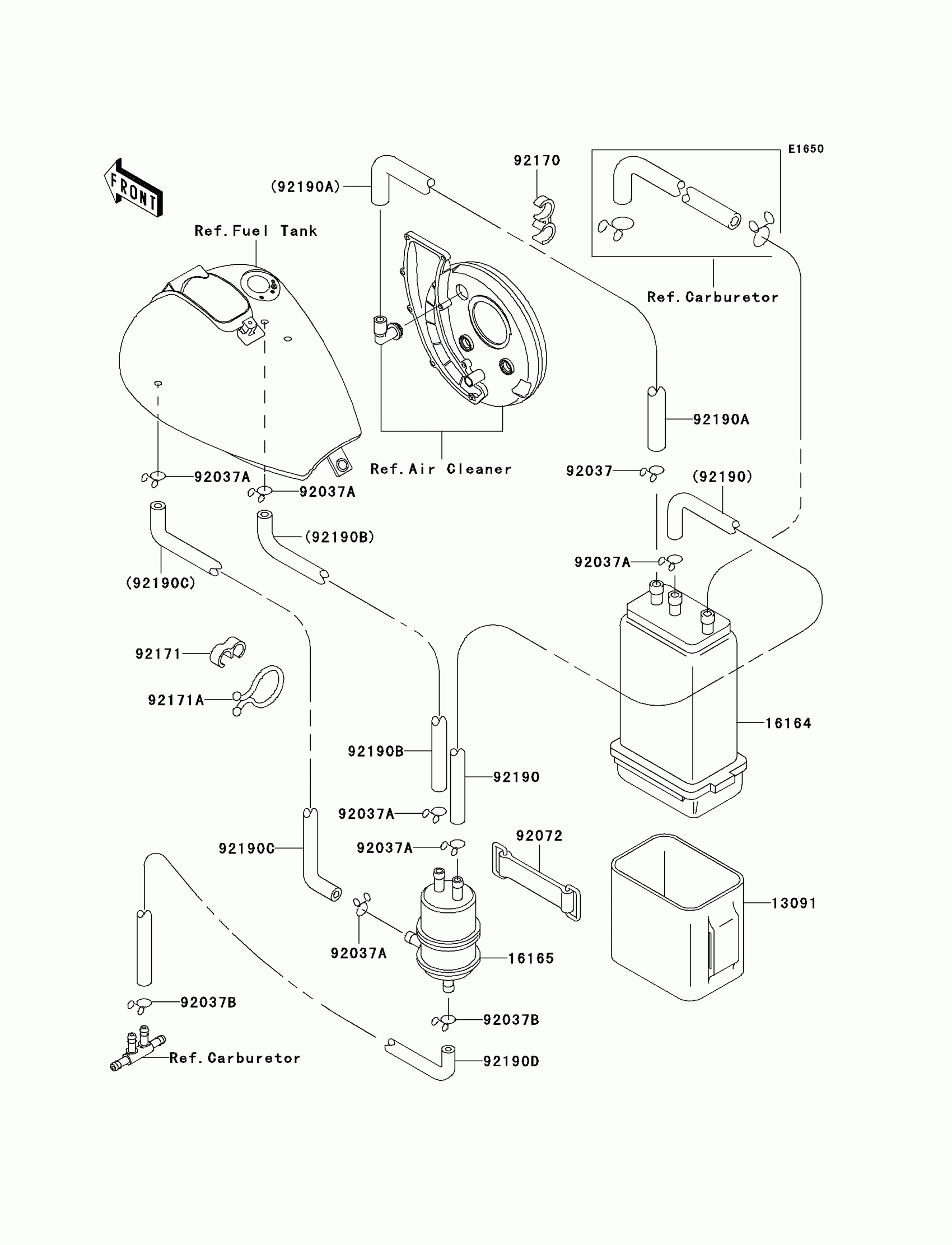
Fuel Evaporative System(CA)
Kawasaki Vulcan 800 Drifter Fuel Evaporative System(CA) Diagram
#
Description
Price
Fuel Evaporative System(CA)
#
Edit ride
