- Partiron
- OEM Parts
- Kawasaki
- motorcycle
- 1989
- Vulcan 750
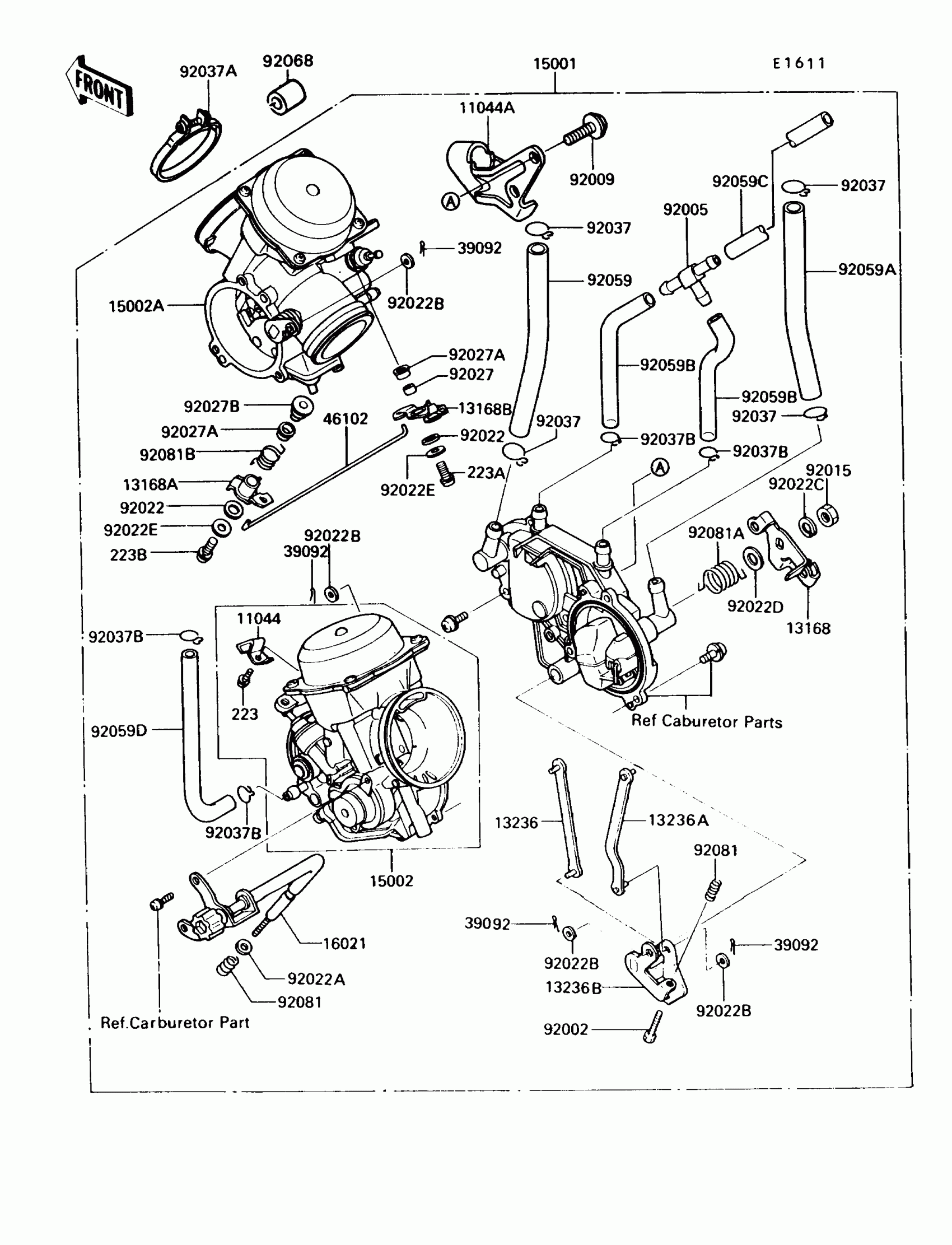
Carburetor
Kawasaki Vulcan 750 Carburetor Diagram
#
Description
Price
15001B
CARBURETOR-ASSY
15001-1306
Unavailable
15002D
CARBURETOR,FR
15002-1394
Unavailable
15002E
CARBURETOR,RR
15002-1395
Unavailable
223A
SCREW-PAN-WS-CROS,4X14
223D0414
Unavailable
