Partiron

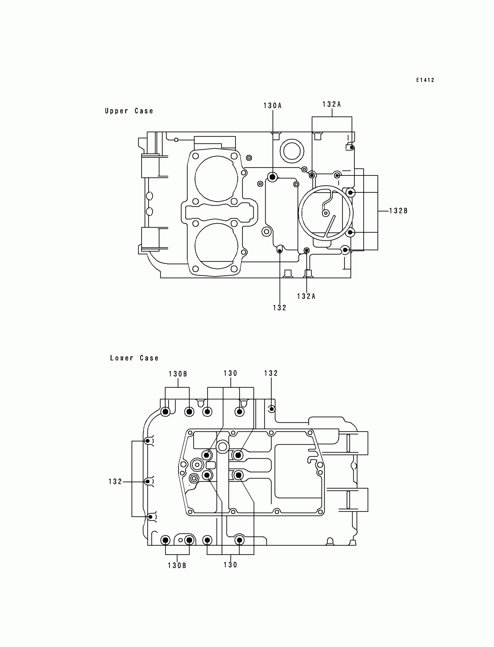
Kawasaki Vulcan 500 LTD Crankcase Bolt Pattern Diagram

#

Description
Price

130

BOLT-FLANGED

130Z08100

$11.06

130A

BOLT-FLANGED

130Z0855

$5.75

130B

BOLT-FLANGED

130Z0875

$9.21

132

BOLT-FLANGED-SMALL,6X40

132Y0640

$4.80

132A

BOLT-FLANGED-SMALL,6X60

132Y0660

$4.89

132B

BOLT-FLANGED-SMALL,6X80

132Y0680

$5.82