- Partiron
- OEM Parts
- Kawasaki
- motorcycle
- 1994
- Vulcan 500
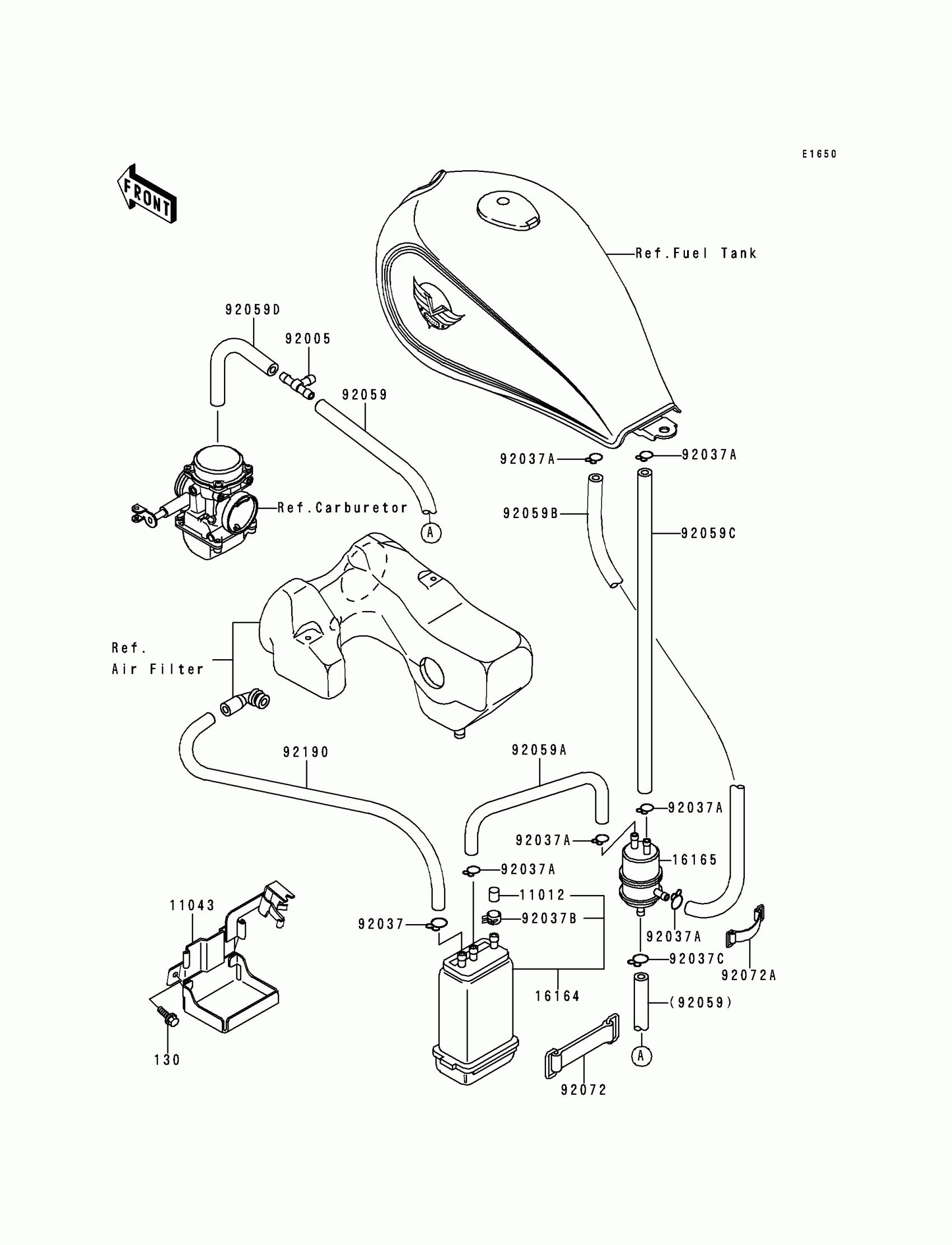
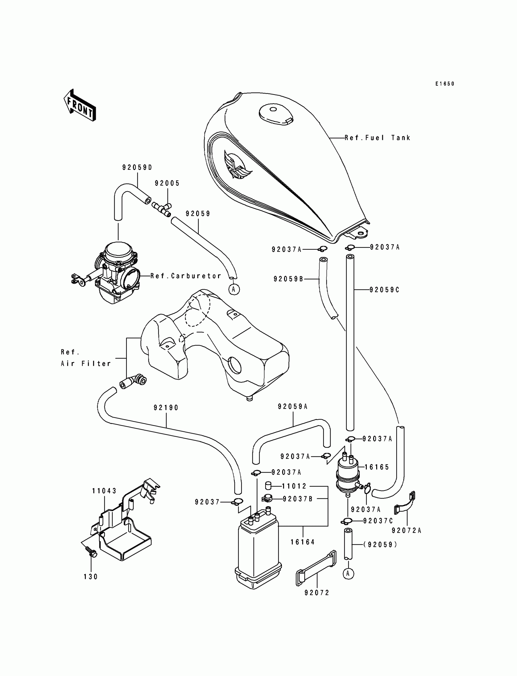
Fuel Evaporative System
Kawasaki Vulcan 500 Fuel Evaporative System Diagram
#
Description
Price
92005
FITTING,TUBE,T-TYPE
92005-1017
Unavailable
