Partiron

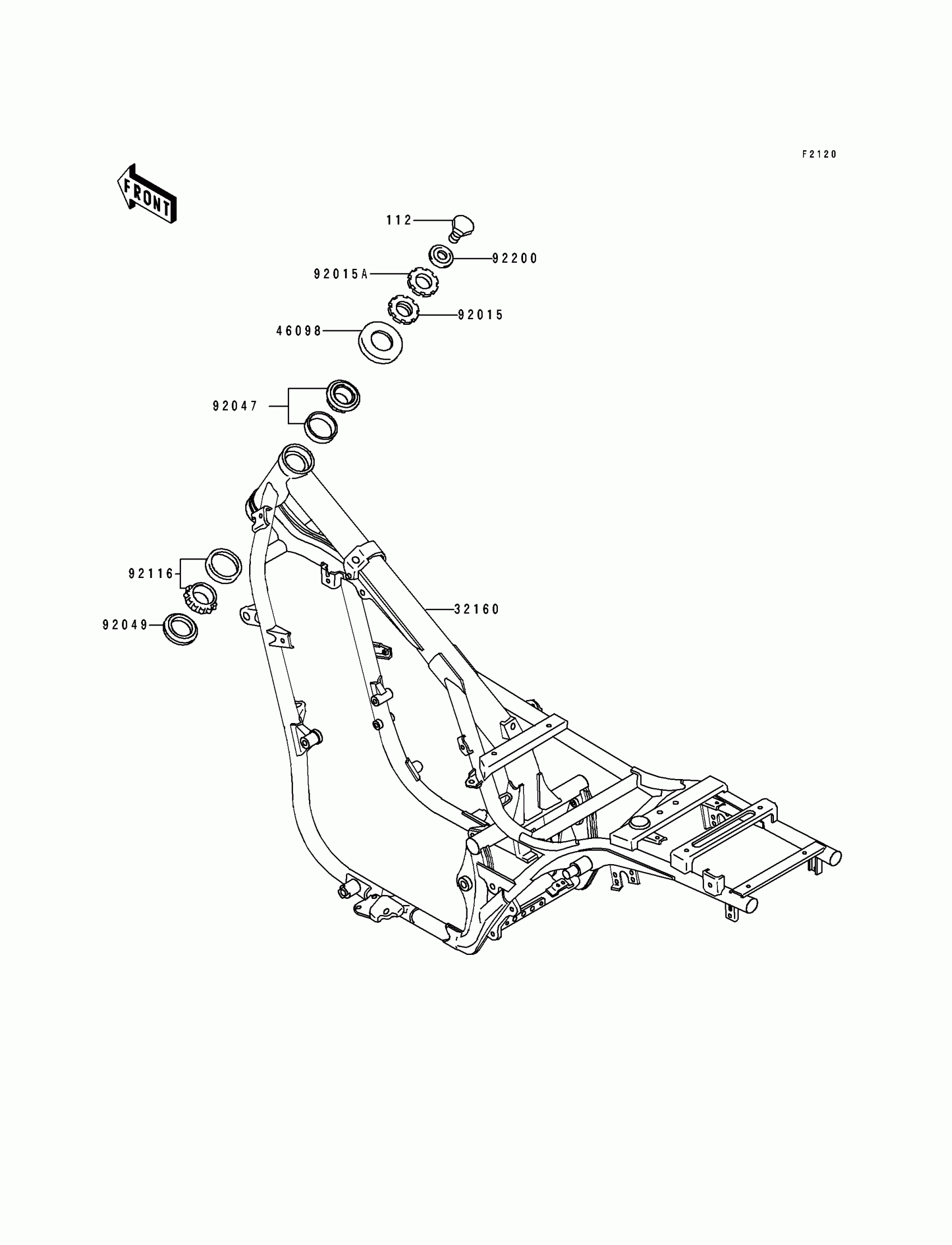
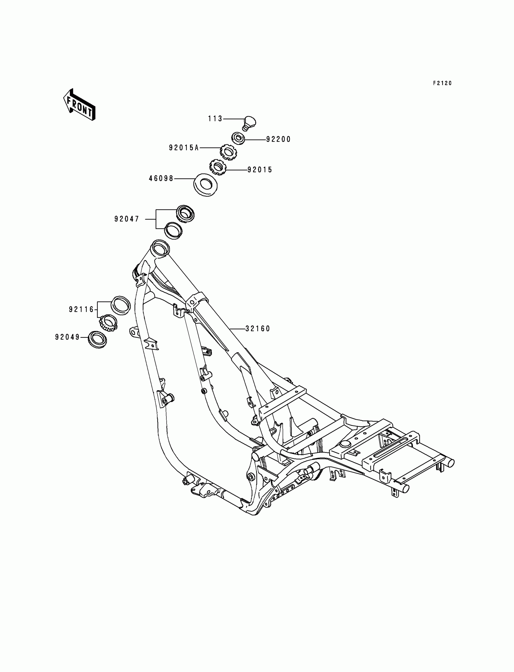
Kawasaki Vulcan 500 Frame Diagram

#

Description
Price

113

BOLT-SMALL-FINE,14X25

113G1425

Unavailable

32160

FRAME-COMP

32160-1107

Unavailable

46098

CAP,STEERING STEM

46098-017

$6.16

92015

NUT,25MM,T=10

92015-1377

$27.29

92015A

NUT,25MM,T=6

92015-1378

$20.96

92047

RACE,ROLLER,32005JR RS

92047-017

$43.75

92049

SEAL-OIL,XMHE36X52X4J

92049-1162

$9.28

92116

BEARING-ROLLER,HR320/28XJ

92116-1009

$36.32

92200

WASHER

92200-1140

$11.50