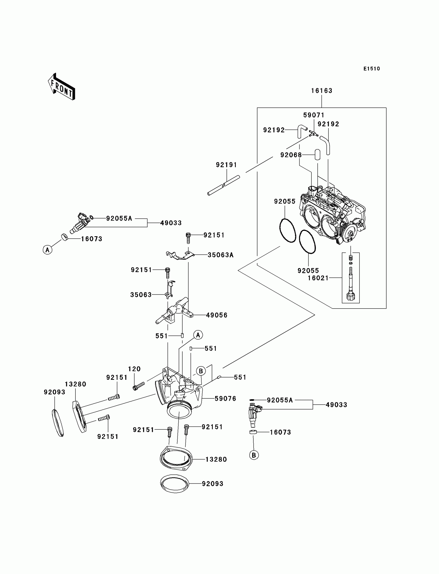
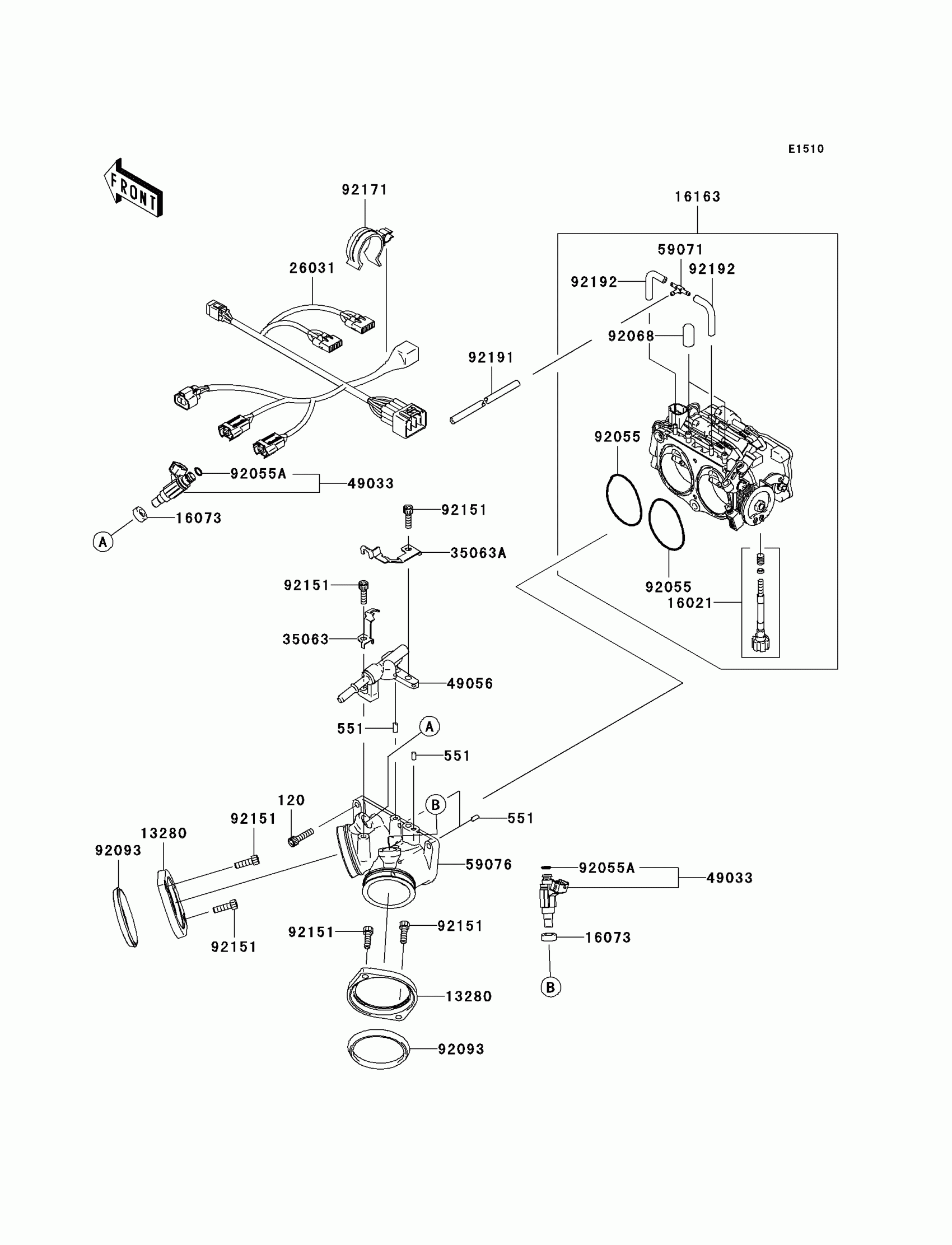
Partiron

Kawasaki Vulcan 2000 Throttle Diagram

#

Description
Price

120

BOLT-SOCKET,6X25

120W0625

$2.57

551

PIN-DOWEL

551R0408

$5.38

13280

HOLDER,INTAKE MANIFOLD

13280-0007

$32.32

16021

SCREW-THROTTLE STOP

16021-0006

$128.30

16073

INSULATOR

16073-3707

$6.18

16163

THROTTLE-ASSY

16163-0001

$1,085.54

26031

HARNESS

26031-0179

$168.80

35063

STAY

35063-0075

$7.74

35063A

STAY

35063-0076

$7.74

49033

NOZZLE-INJECTION

49033-0003

$134.55

49056

PIPE-INJECTION

49056-0004

$191.32

59071

JOINT,3WAY,T

59071-3752

$10.19

59076

MANIFOLD-INTAKE

59076-0001

$258.24

92055

RING-O

92055-0056

$9.92

92055A

RING-O,INJECTION NOZZLE

92055-1622

$1.95

92068

PLUG,12X25

92068-006

$4.26

92093

SEAL

92093-0006

$22.35

92151

BOLT,SOCKET,6X20

92151-3774

$1.83

92171

CLAMP

92171-0130

$6.48

92191

TUBE,3X7X300

92191-0032

$11.71

92192

TUBE,3X7X55

92192-0106

$8.03