Partiron

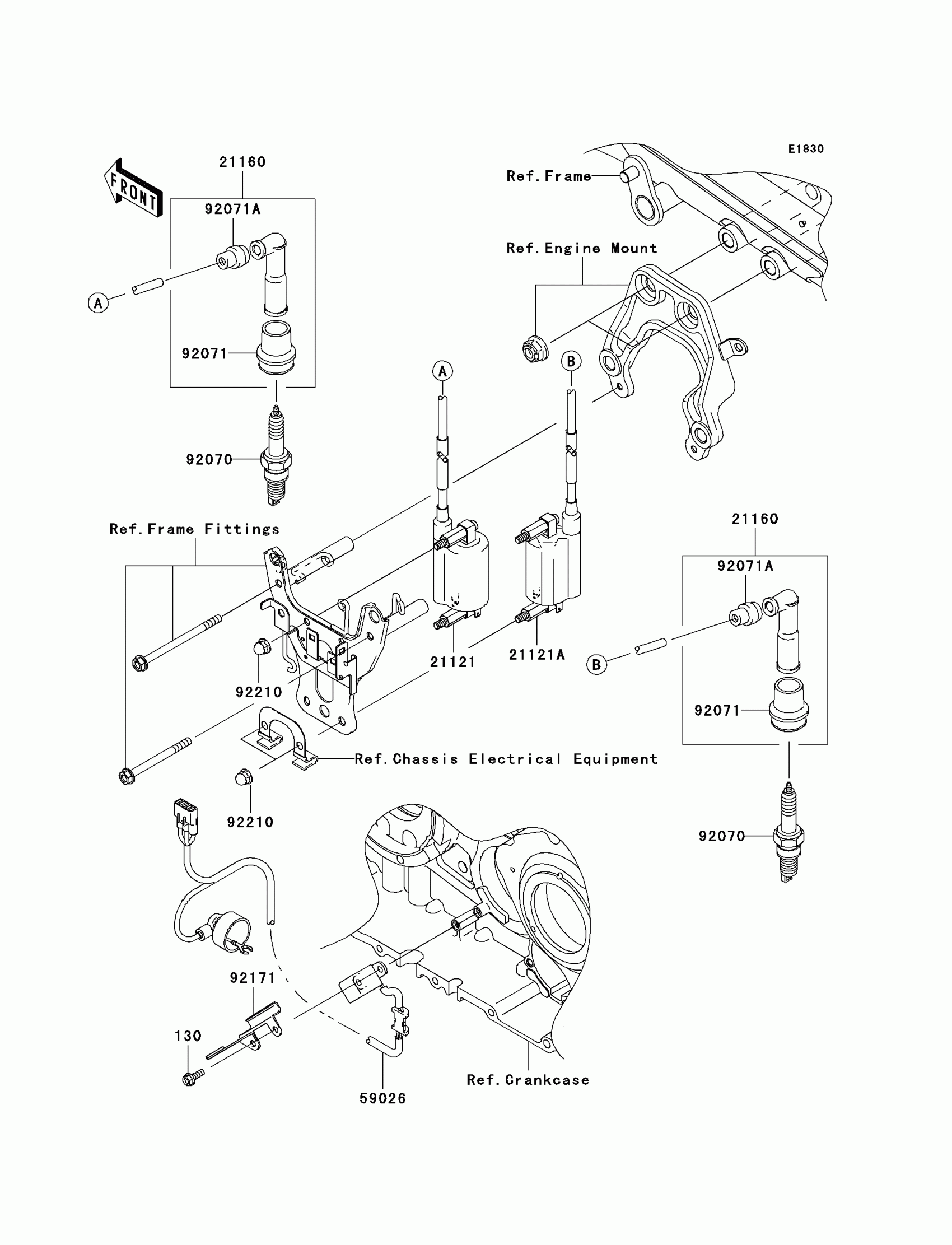
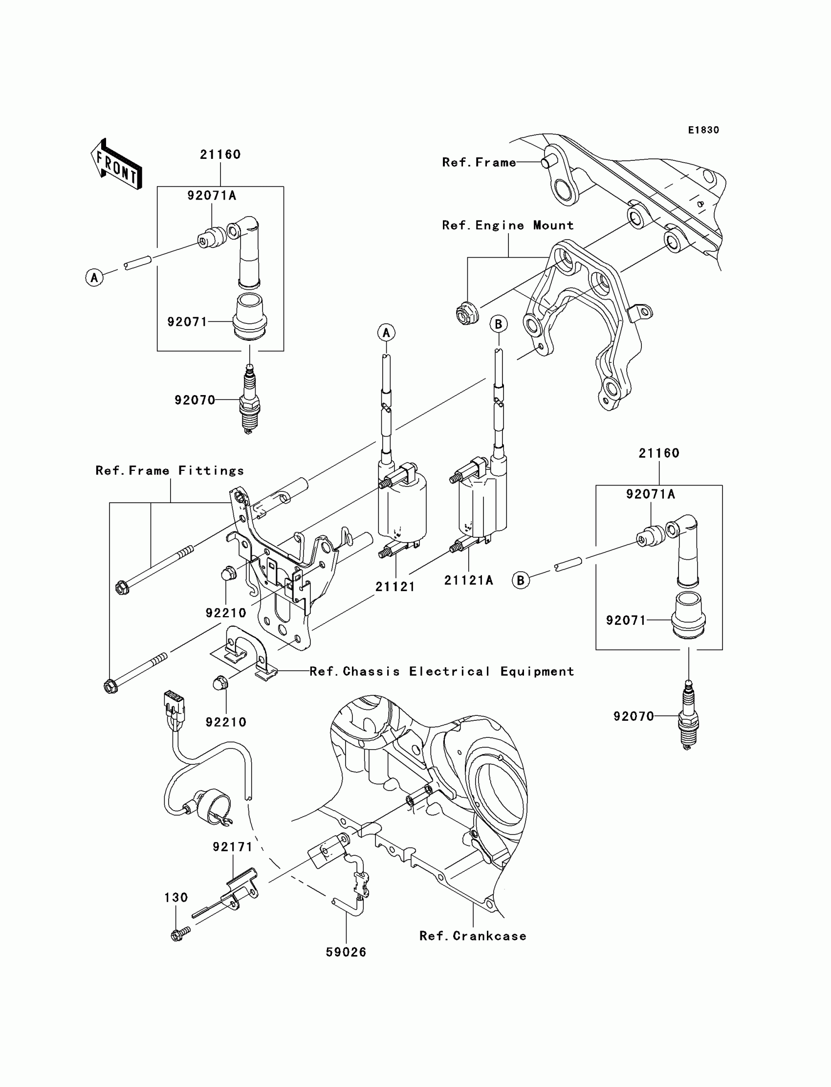
Kawasaki Vulcan 2000 Ignition System Diagram

#

Description
Price

130

BOLT-FLANGED,5X14

130G0514

$1.92

21121

COIL-IGNITION,FR ENGINE

21121-0013

$224.00

21121A

COIL-IGNITION,RR ENGINE

21121-0014

$213.71

21160

CAP-ASSY-PLUG

21160-0005

$35.32

59026

COIL-PULSING

59026-0002

$122.14

92070

PLUG-SPARK,IZFR6F11(NGK)

92070-0007

$16.61

92071

GROMMET,PLUG CAP

92071-0006

$7.95

92071A

GROMMET,HIGH TENSION

92071-0010

$6.38

92171

CLAMP,COIL WIRE

92171-0035

$8.90

92210

NUT,CAP,6MM

92210-0003

$0.64