Partiron

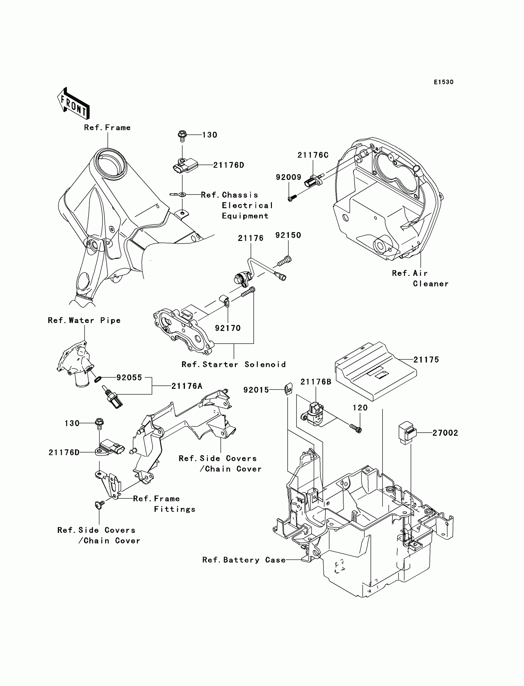
Kawasaki Vulcan 2000 Fuel Injection Diagram

#

Description
Price

120

BOLT-SOCKET,5X16

120S0516

$0.69

130

BOLT-FLANGED,6X12

130L0612

$2.19

21176A

SENSOR,CAM ANGLE

21176-0007

$152.62

21176B

SENSOR,WATER TEMP

21176-0009

$69.24

21176C

SENSOR

21176-0025

$86.97

21176D

SENSOR,PRESSURE

21176-0058

$141.24

21176E

SENSOR,AIR TEMP

21176-2106

$25.15

27002

RELAY-ASSY

27002-1062

$45.39

92015

NUT,5MM

92015-1710

$6.22

92055

RING-O,9.5X1.9

92055-0016

$8.89

92071

GROMMET

92071-2140

$4.45

92150

BOLT,SOCKET,6X18

92150-3775

$4.69

92170A

CLAMP

92170-1804

$5.29

21175

CONTROL UNIT-ELECTRONIC

21175-0059

$1,167.31

21175A

CONTROL UNIT-ELECTRONIC

21175-0060

$1,292.39

21176

SENSOR,OXYGEN

21176-0005

$344.59

92170

CLAMP

92170-1577

$3.83