Partiron

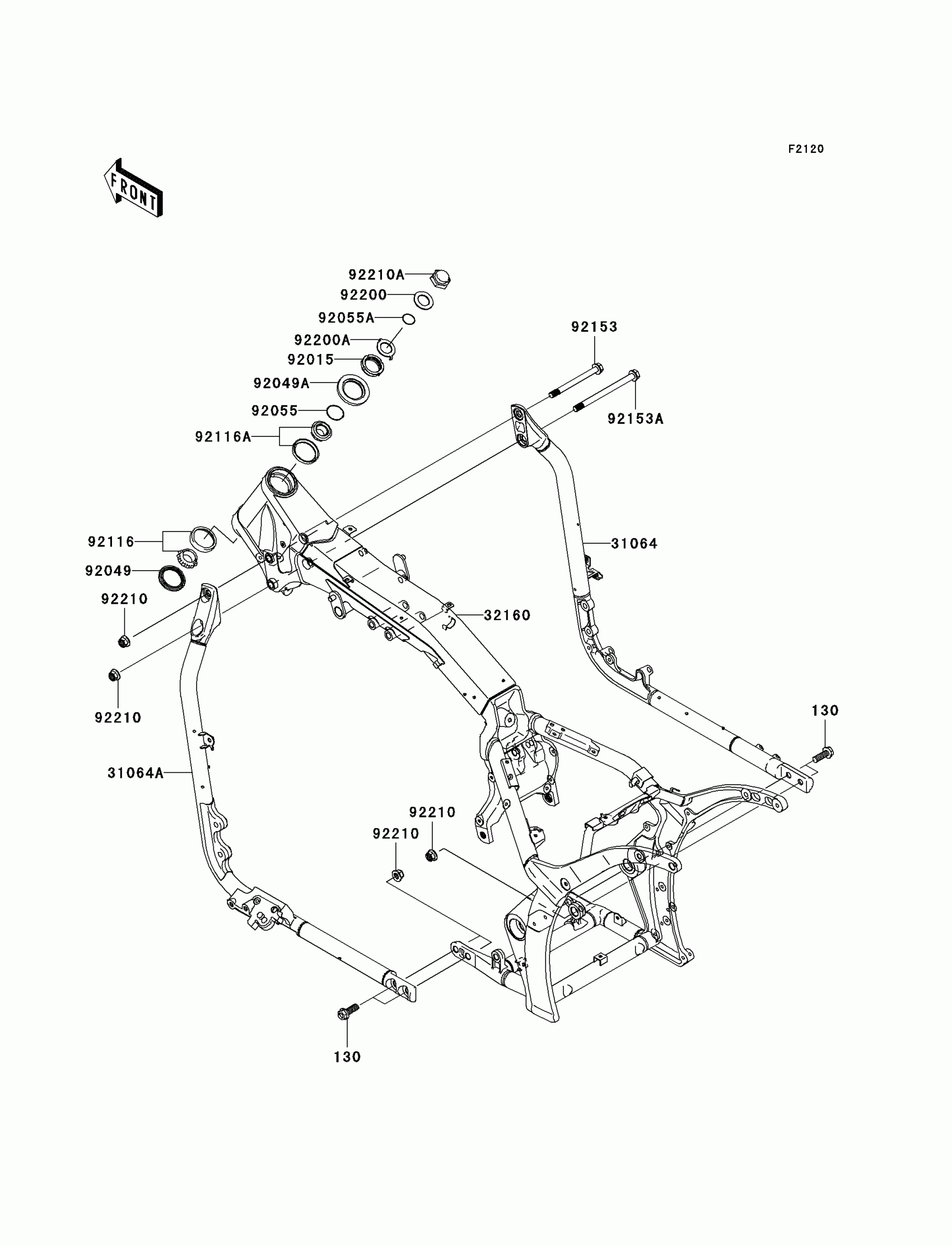
Kawasaki Vulcan® 2000 Frame Diagram

#

Description
Price

130

BOLT-FLANGED,12X35

130CB1235

$4.20

31064

PIPE-COMP,DOWNTUBE,RH,BLACK

31064-0120-18R

$585.93

31064A

PIPE-COMP,DOWNTUBE,LH,BLACK

31064-0147-18R

$585.93

32160

FRAME-COMP,F.S.BLACK

32160-0295-18R

$3,047.49

92015

NUT,STEERING STEM,35MM

92015-1848

$44.08

92049

SEAL-OIL,XMHE 43 55 4J

92049-1383

$19.64

92049A

SEAL-OIL,MX043N2

92049-1483

$20.39

92055

RING-O,34.5X2.0

92055-1452

$5.24

92055A

RING-O,ID=24.5

92055-1459

$4.73

92116

BEARING-ROLLER,32907JR-2

92116-1072

$71.91

92116A

BEARING-ROLLER,32907JR-3

92116-1074

$71.91

92153

BOLT,FLANGED,12X132

92153-0598

$24.33

92153A

BOLT,FLANGED,12X168

92153-0599

$18.67

92200

WASHER,25.5X42X2.3

92200-0105

$4.56

92200A

WASHER,CLAW,25.5X40X2.3

92200-0137

$4.43

92210

NUT,LOCK,FLANGED,12MM

92210-0110

$10.56

92210A

NUT,CAP,25MM

92210-1166

$23.99