Partiron

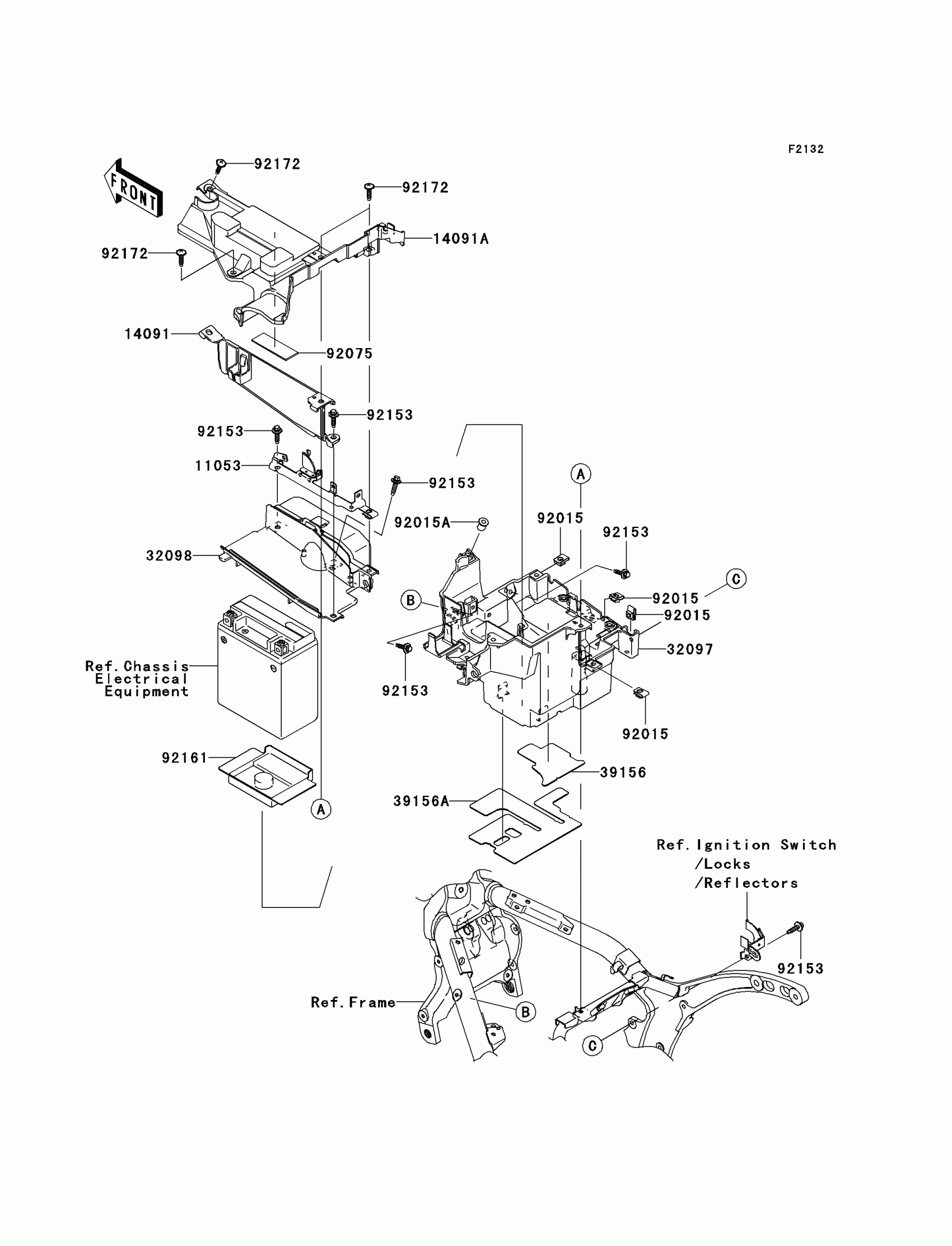
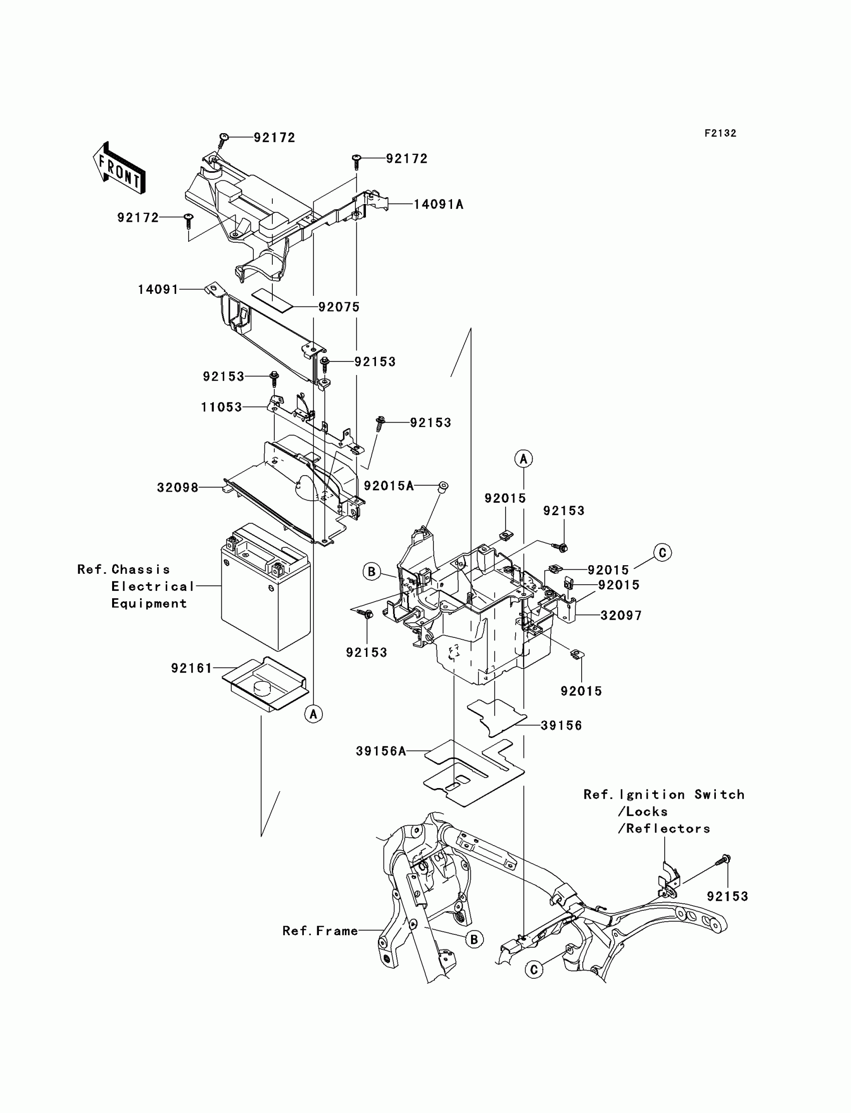
Kawasaki Vulcan 2000 Battery Case Diagram

#

Description
Price

11053

BRACKET,COUPLER

11053-0905

$37.89

14091

COVER,TOOL CASE

14091-0172

$23.16

14091A

COVER,BATTERY

14091-0290

$60.62

32097

CASE-BATTERY

32097-0005

$53.07

32098

CASE-TOOL

32098-0007

$146.20

39156

PAD,BATTERY CASE

39156-0047

$8.82

39156A

PAD,BATTERY CASE

39156-0055

$25.81

92015

NUT,6MM

92015-1602

$7.34

92015A

NUT

92015-1700

$8.58

92075

DAMPER,BATTERY BAND

92075-1903

$5.59

92153

BOLT,FLANGED,6X26.5

92153-0654

$14.27

92161

DAMPER,BATTERY

92161-0114

$19.47

92172

SCREW,6X26

92172-0137

$4.69