- Partiron
- OEM Parts
- Kawasaki
- motorcycle
- 2012
- VULCAN® 1700 VOYAGER®
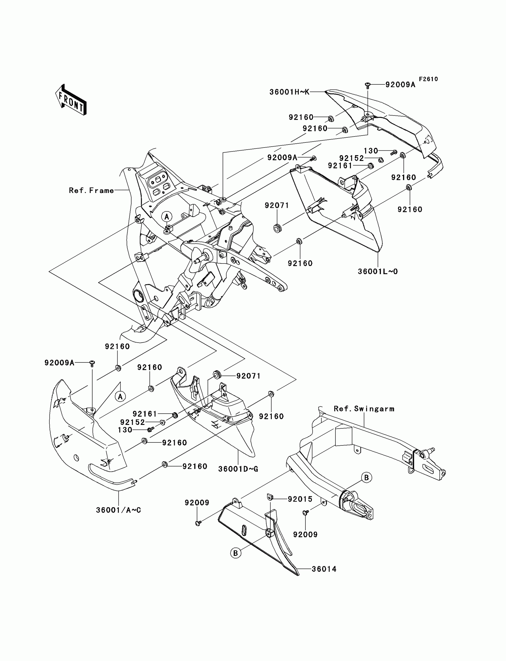
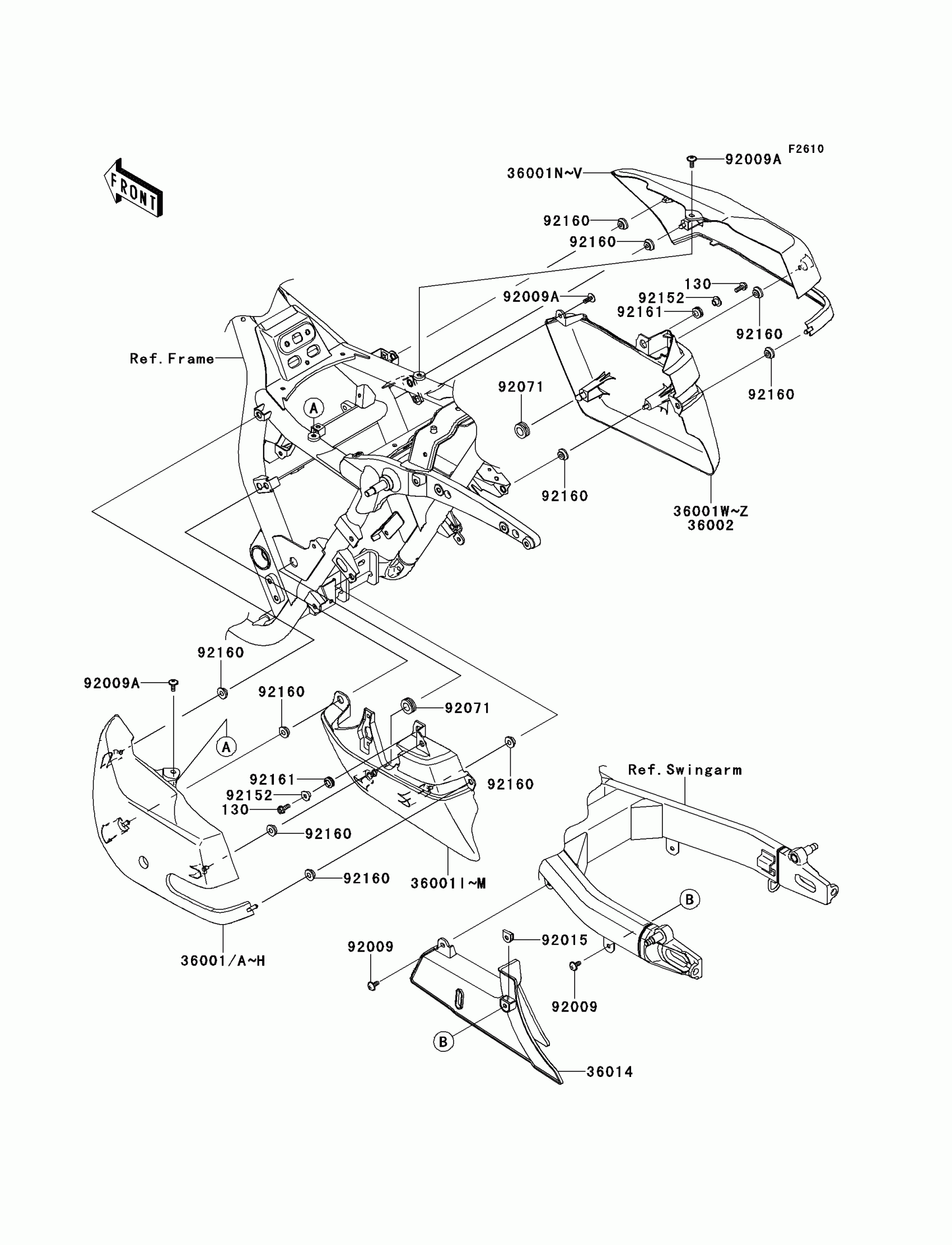
Side Covers/Chain Cover
Kawasaki VULCAN® 1700 VOYAGER® Side Covers/Chain Cover Diagram
#
Description
Price
92009A
SCREW,6X16
92009-1621
Unavailable
