Partiron

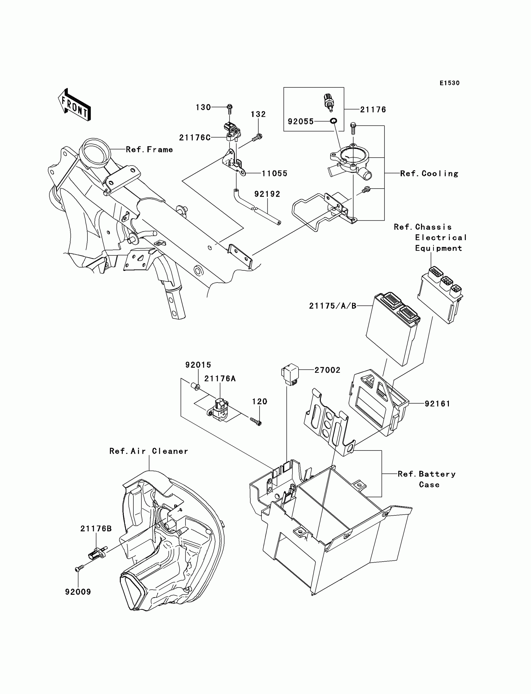
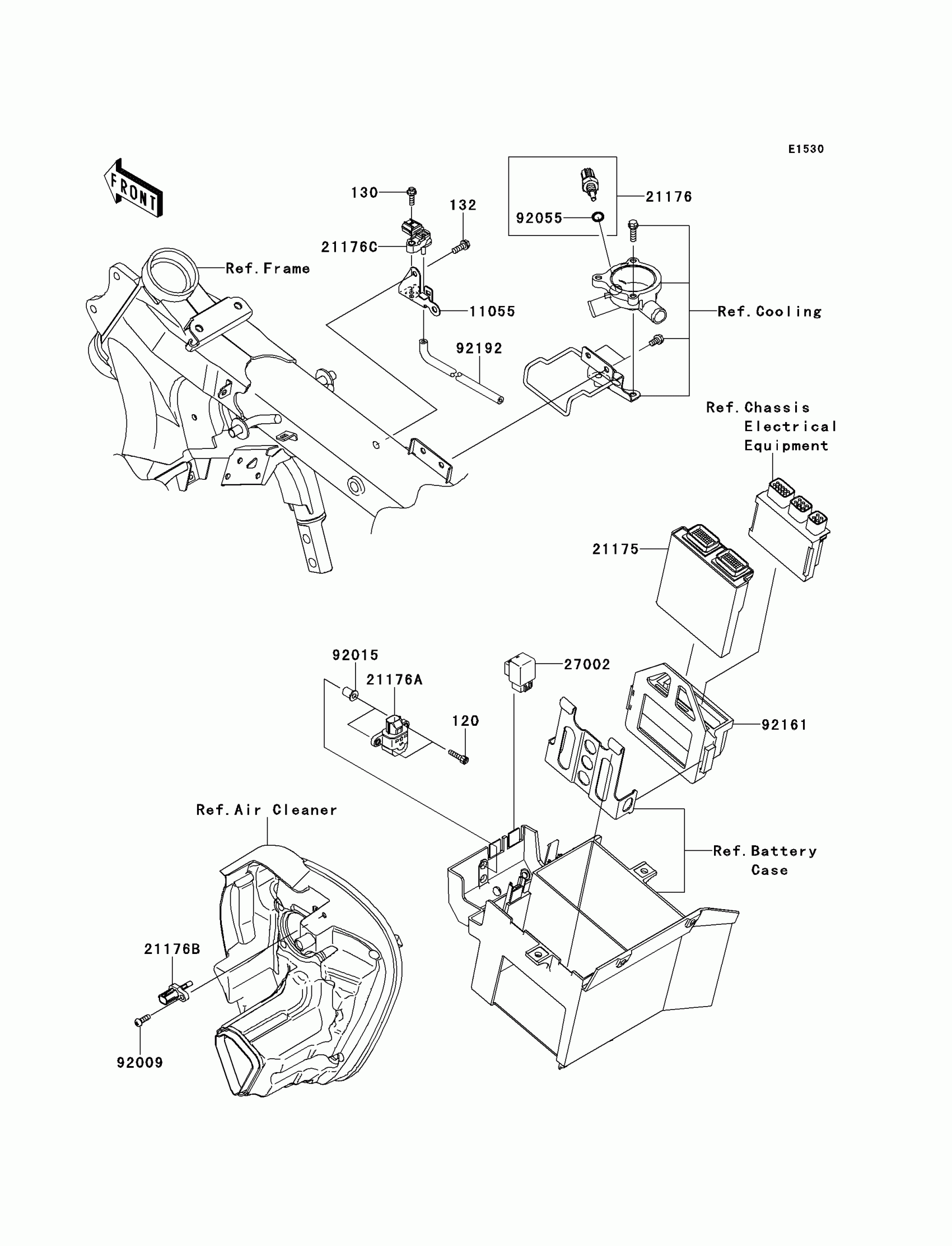
Kawasaki VULCAN® 1700 VOYAGER® Fuel Injection Diagram

#

Description
Price

120

BOLT-SOCKET,5X20

120CA0520

$5.22

130

BOLT-FLANGED,5X16

130BA0516

$0.86

132

BOLT-FLANGED-SMALL,6X16

132BA0616

$1.51

11055

BRACKET

11055-0569

$8.44

21175B

CONTROL UNIT-ELECTRONIC

21175-0339

$1,216.30

21176

SENSOR,WATER TEMP

21176-0009

$69.24

21176A

SENSOR

21176-0025

$86.97

21176B

SENSOR,AIR TEMPERATURE

21176-0048

$26.91

21176C

SENSOR,PRESSURE

21176-0111

$222.28

27002

RELAY-ASSY

27002-1062

$45.39

92009

SCREW,TAPPING,5X16

92009-1984

$2.58

92015

NUT,WELL,5MM

92015-1757

$7.29

92055

RING-O,9.5X1.9

92055-0016

$8.89

92161

DAMPER

92161-0092

$19.83

92192

TUBE,FITTING-ASV

92192-0354

$5.60