Partiron

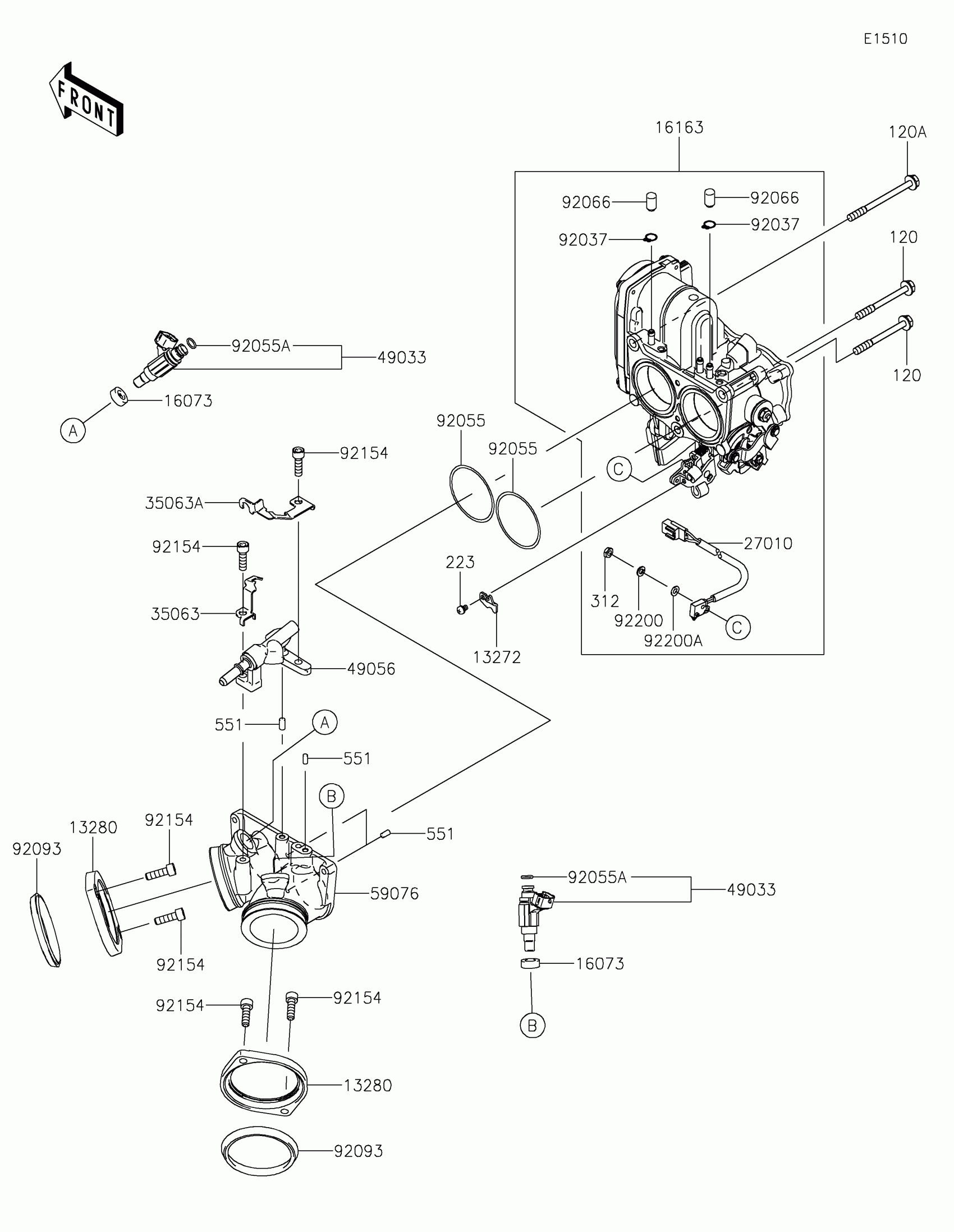
Kawasaki VULCAN® 1700 VOYAGER® ABS Throttle Diagram

#

Description
Price

120

BOLT-SOCKET,6X60

120CA0660

$3.21

120A

BOLT-SOCKET,6X75

120CA0675

$3.29

223

SCREW-PAN-WS-CROS,4X6

223AA0406

$3.69

312

NUT-HEX

312BC0300

$2.03

551

PIN-DOWEL,4X8

551A0408

$0.78

13272

PLATE,CABLE STOPPER

13272-0620

$5.29

13280

HOLDER,INTAKE MANIFOLD

13280-0007

$32.32

16073

INSULATOR

16073-3707

$6.18

16163

THROTTLE-ASSY,EACW42

16163-0124

$941.68

27010

SWITCH,AUTOCRUISE CANCEL

27010-0093

$71.96

35063

STAY

35063-0075

$7.74

35063A

STAY

35063-0076

$7.74

49033

NOZZLE-INJECTION

49033-0003

$134.55

49056

PIPE-INJECTION

49056-0020

$177.00

59076A

MANIFOLD-INTAKE

59076-0005

$226.39

92037

CLAMP,BREATHER TUBE

92037-174

$2.00

92055

RING-O,49.7X2.4

92055-0183

$2.41

92055A

RING-O,INJECTION NOZZLE

92055-1622

$1.95

92066

PLUG,FITTING

92066-1549

$7.82

92093

SEAL

92093-0006

$22.35

92153

BOLT,SOCKET,6X20

92153-1031

$2.15

92200

WASHER,SPRING

92200-0539

$3.52

92200A

WASHER

92200-0540

$3.52