- Partiron
- OEM Parts
- Kawasaki
- motorcycle
- 2012
- VULCAN® 1700 VOYAGER® ABS
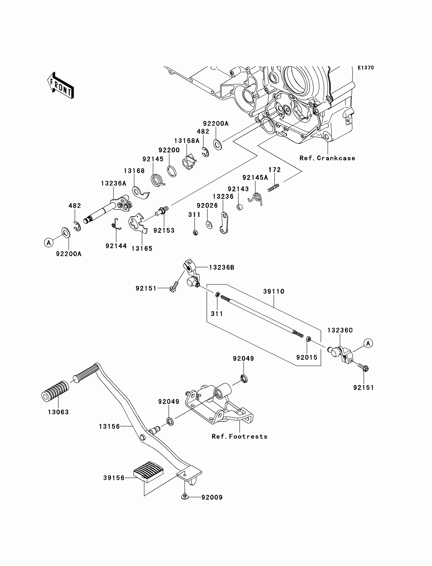
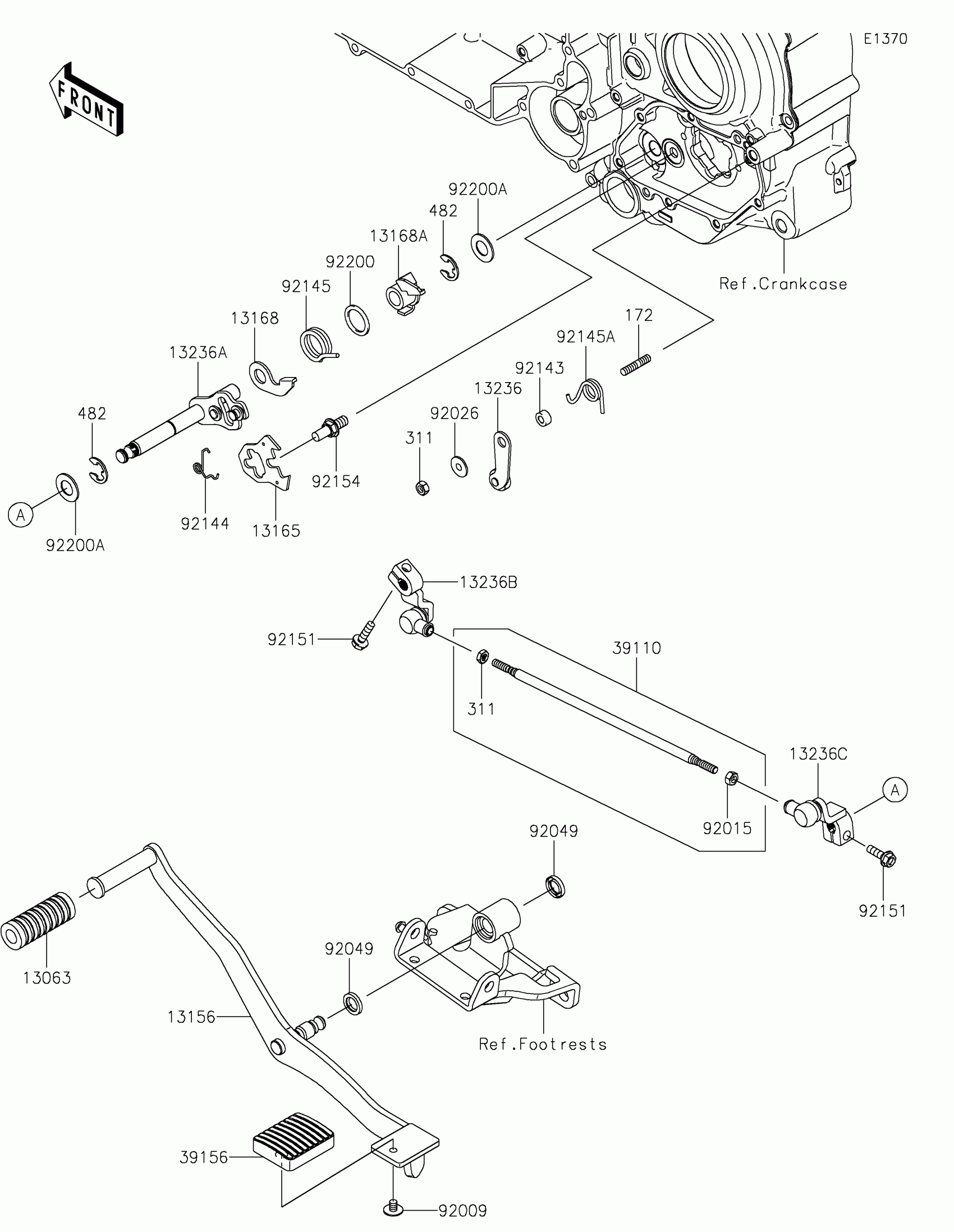
Gear Change Mechanism
Kawasaki VULCAN® 1700 VOYAGER® ABS Gear Change Mechanism Diagram
#
Description
Price
39110
ROD-ASSY-TIE
39110-0029
Unavailable
