- Partiron
- OEM Parts
- Kawasaki
- motorcycle
- 2012
- VULCAN® 1700 VAQUERO®
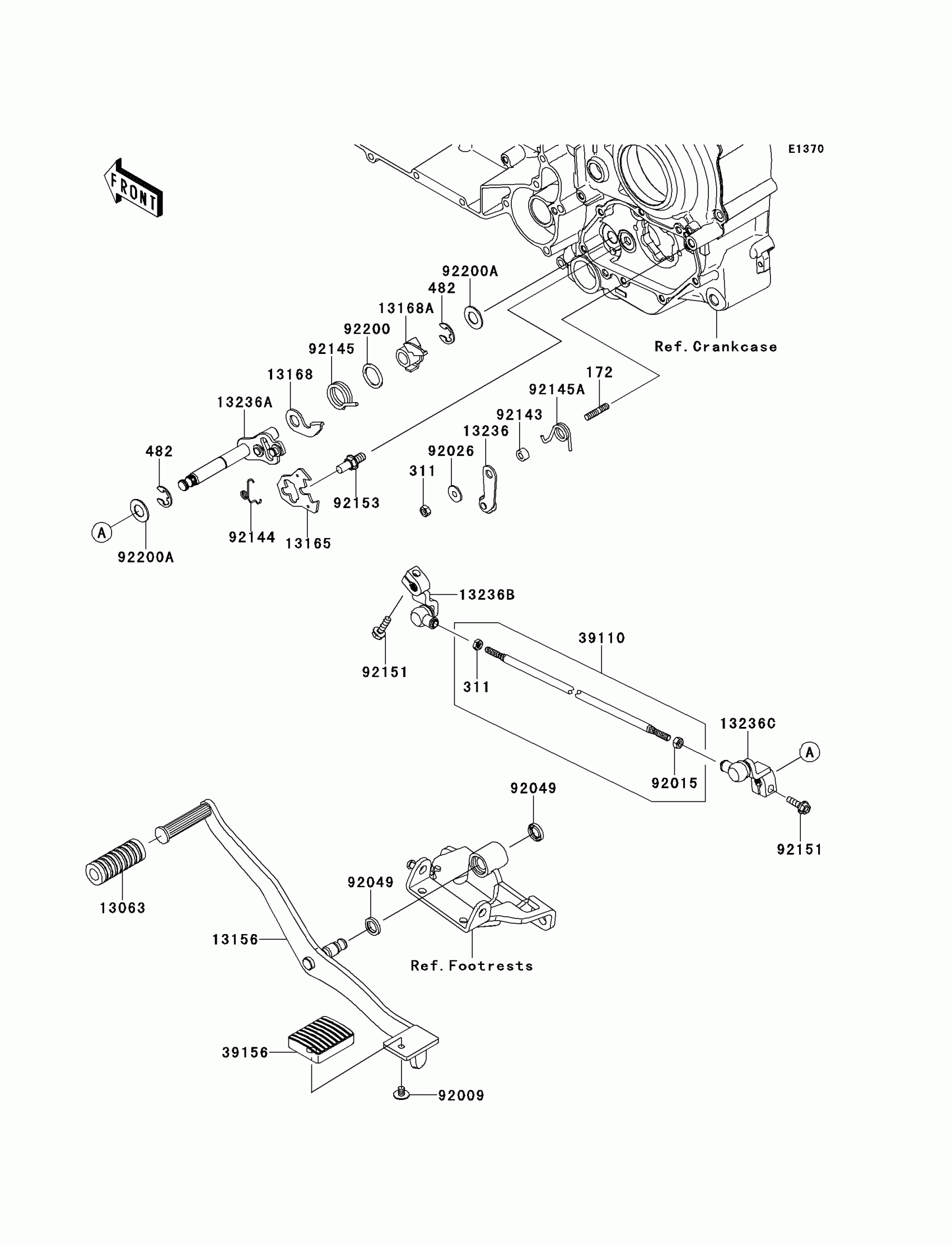
Gear Change Mechanism
Kawasaki VULCAN® 1700 VAQUERO® Gear Change Mechanism Diagram
#
Description
Price
Gear Change Mechanism
#
Edit ride
