- Partiron
- OEM Parts
- Kawasaki
- motorcycle
- 2013
- VULCAN 1700 VAQUERO (Canadian)
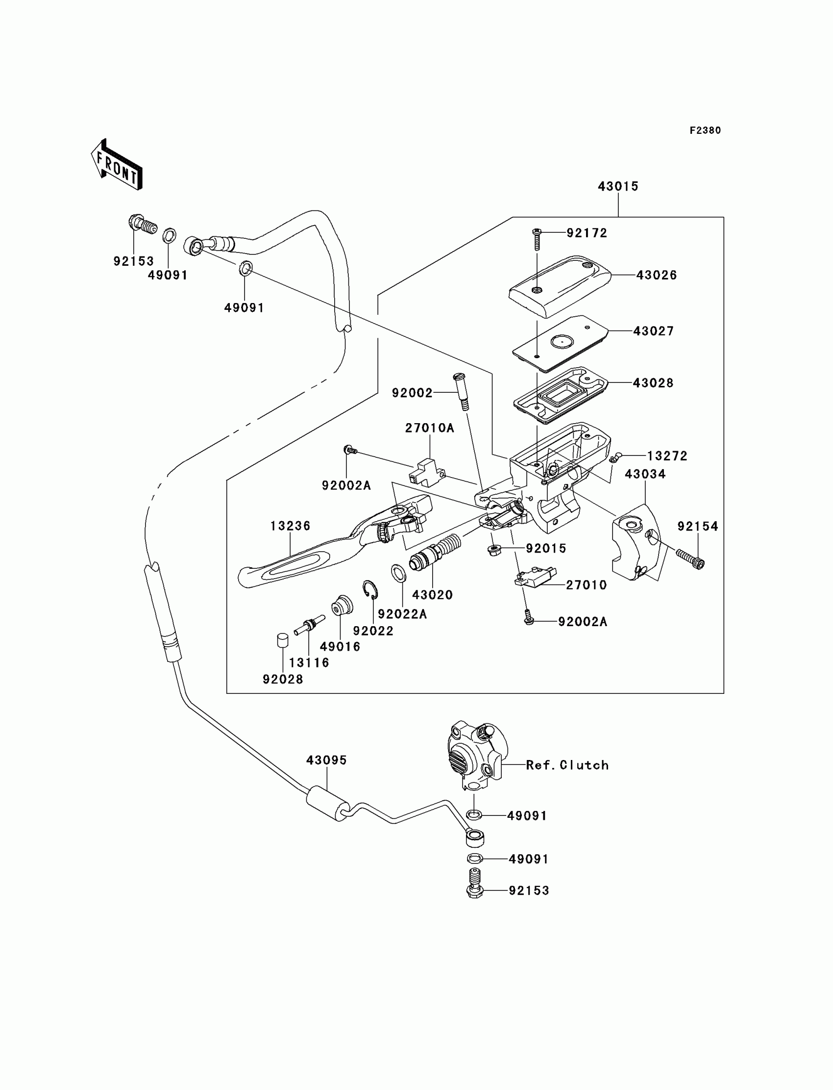
Clutch Master Cylinder
Kawasaki VULCAN 1700 VAQUERO (Canadian) Clutch Master Cylinder Diagram
#
Description
Price
Clutch Master Cylinder
#
Edit ride
