Add your ride
Home
About us
0
$0.00
Sign In
Register
Login
Wish List (0)
OEM Parts
OEM Parts Categories
Can Am OEM Parts
Suzuki OEM Parts
Yamaha OEM Parts
Ski Doo OEM Parts
Sea Doo OEM Parts
Polaris OEM Parts
Honda OEM Parts
Kawasaki OEM Parts
KTM OEM Parts
Riding Gear
Riding Gear Categories
Helmets
Adventure Helmets
Bluetooth Helmets
Cold Weather Helmets
Dirt Bike Helmets
Half Helmets
Modular Helmets
Open Face Helmets
Full Face Helmets
Street Helmets
Transformer Helmets
V-Twin Helmets
Water Sports Helmets
Snow Helmets
Helmets Accessories
Eyewear
Goggles
Sunglasses
Motorcycle Jackets & Vests
Leather Jackets
Textile Jackets
Snow Jackets
Vests
Gloves
Heated Gloves
Leather Gloves
Waterproof Gloves
Pants
Jeans
Leather Pants
Dirt Bike Pants
Motorcycle Boots
Waterproof Boots
Snow Boots
V Twin Boots
Street Boots
Street Boots
Adventure Boots
Short Boots
Motorcycle Socks
Footwear
Jerseys
Protective/Safety
Layers
Headgear
Hoodies
Sweaters
Shirts
Shorts
Suits
Undergarments
Onesies
Accessories
Batteries
Belts
Bike
Body
Electrical
Exhaust
Foot Controls
Fuel Systems
Gaskets/Seals
Guards/Braces
Luggage
Oil & Chemicals
Plow
Skis/Carbides/Runners
Tools
Trailer & Towing
Tires
Tires Categories
All Tires
ATV Tires
Street Tires
Dirt Bike Tires
V-Twin Tires
Snowmobiles Tires
Watercraft Tires
Dirt bike Rims
Tires & Wheels
Wheels
Wheel Components
Tires & Wheels Accessories
Tubes
ATV/UTV
ATV/UTV Categories
Accessories
Batteries
Body
Brakes
Cable/Lines
Clutch
Drivetrain
Electrical
Engine
Exhaust
Filters
Foot Controls
Fuel Systems
Gaskets/Seals
Guards/Braces
Hand Controls
Lights
Luggage
Oil & Chemicals
Protective/Safety
Seat
Suspension
Tools
Trailer/Towing/Farm
Wheels & Tires
Windshield/Windscreen
Street Bike
Street Bike Categories
Accessories
Batteries
Body
Brakes
Cable & Lines
Clutch
Drivetrain
Electrical
Engine
Exhaust
Filters
Foot Controls
Fuel Systems
Gaskets/Seals
Guards/Braces
Hand Controls
Hoodies
Lights
Luggage
Oil & Chemicals
Protective/Safety
Seat
Suits
Suspension
Tools
Trailer & Towing
Windshield/Windscreen
Dirt Bike
Dirt Bike Categories
Accessories
Batteries
Body
Brakes
Cable & Lines
Clutch
Drivetrain
Electrical
Engine
Exhaust
Filters
Foot Controls
Fuel Systems
Gaskets/Seals
Guards/Braces
Hand Controls
Lights
Luggage
Oil & Chemicals
Protective/Safety
Seat
Suspension
Tools
Trailer & Towing
V-Twin Bike
V-Twin Bike Categories
Accessories
Batteries
Body
Brakes
Cable / Lines
Clutch
Drivetrain
Electrical
Engine
Exhaust
Filters
Foot Controls
Fuel Systems
Gaskets/Seals
Guards/Braces
Hand Controls
Lights
Luggage
Oil & Chemicals
Protective/Safety
Seat
Suspension
Tools
Trailer & Towing
Windshield/Windscreen
Snowmobiles
Snowmobiles Categories
Accessories
Batteries
Body
Brakes
Cable & Lines
Clutch
Drivetrain
Electrical
Engine
Exhaust
Filters
Foot Controls
Fuel Systems
Gaskets/Seals
Guards/Braces
Hand Controls
Ice Scratchers
Lights
Luggage
Oil & Chemicals
Protective/Safety
Seat
Skis/Carbides/Runners
Suspension
Tools
Tracks
Trailer & Towing
Windshield/Windscreen
Watercraft
Watercraft Categories
Accessories
Batteries
Body
Cable & Lines
Clutch
Drivetrain
Electrical
Engine
Exhaust
Filters
Flotation Vests
Foot Controls
Fuel Systems
Gaskets/Seals
Hand Controls
Lights
Luggage
Mats/Rugs
Oil & Chemicals
Protective/Safety
Steering
Tools
Trailer & Towing
Watercraft Towables
Search
Partiron
OEM Parts
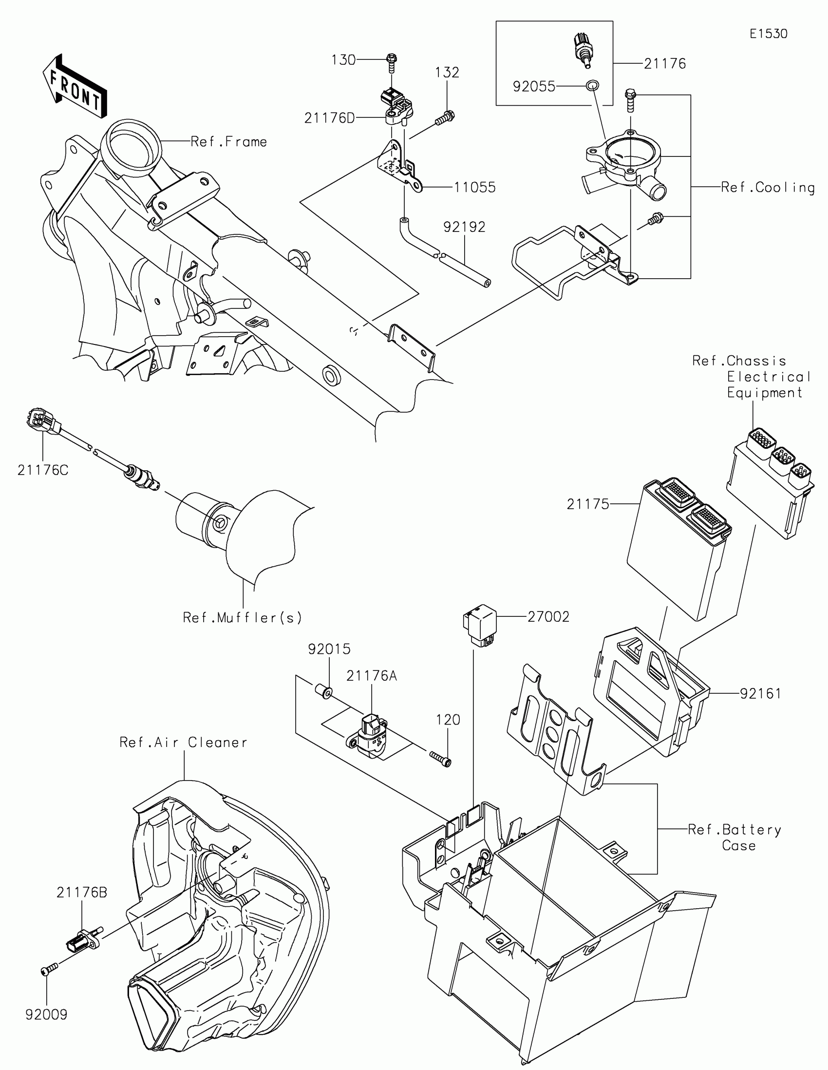
Kawasaki
motorcycle
2015
VULCAN® 1700 VAQUERO® ABS
Fuel Injection
Kawasaki VULCAN® 1700 VAQUERO® ABS Fuel Injection Diagram
Edit ride
1
Type
ATV/UTV
Dirt bike
Snowmobiles
Street Bike
Watercraft
2
Year
3
Make
4
Model
Clear
Save and close