- Partiron
- OEM Parts
- Kawasaki
- motorcycle
- 2012
- VULCAN® 1700 NOMAD™
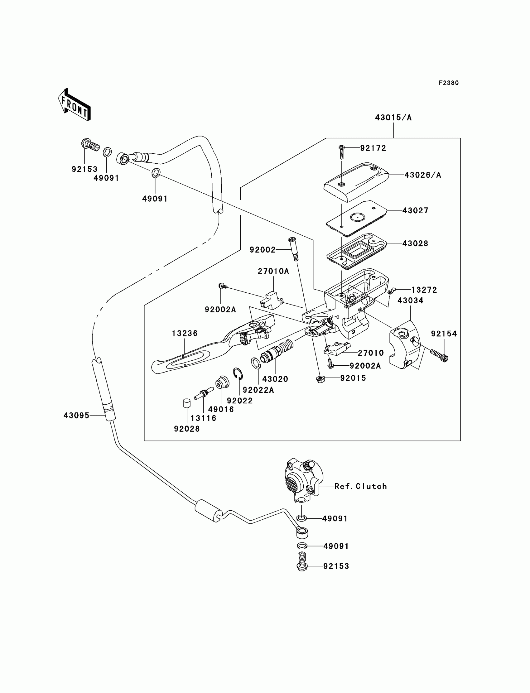
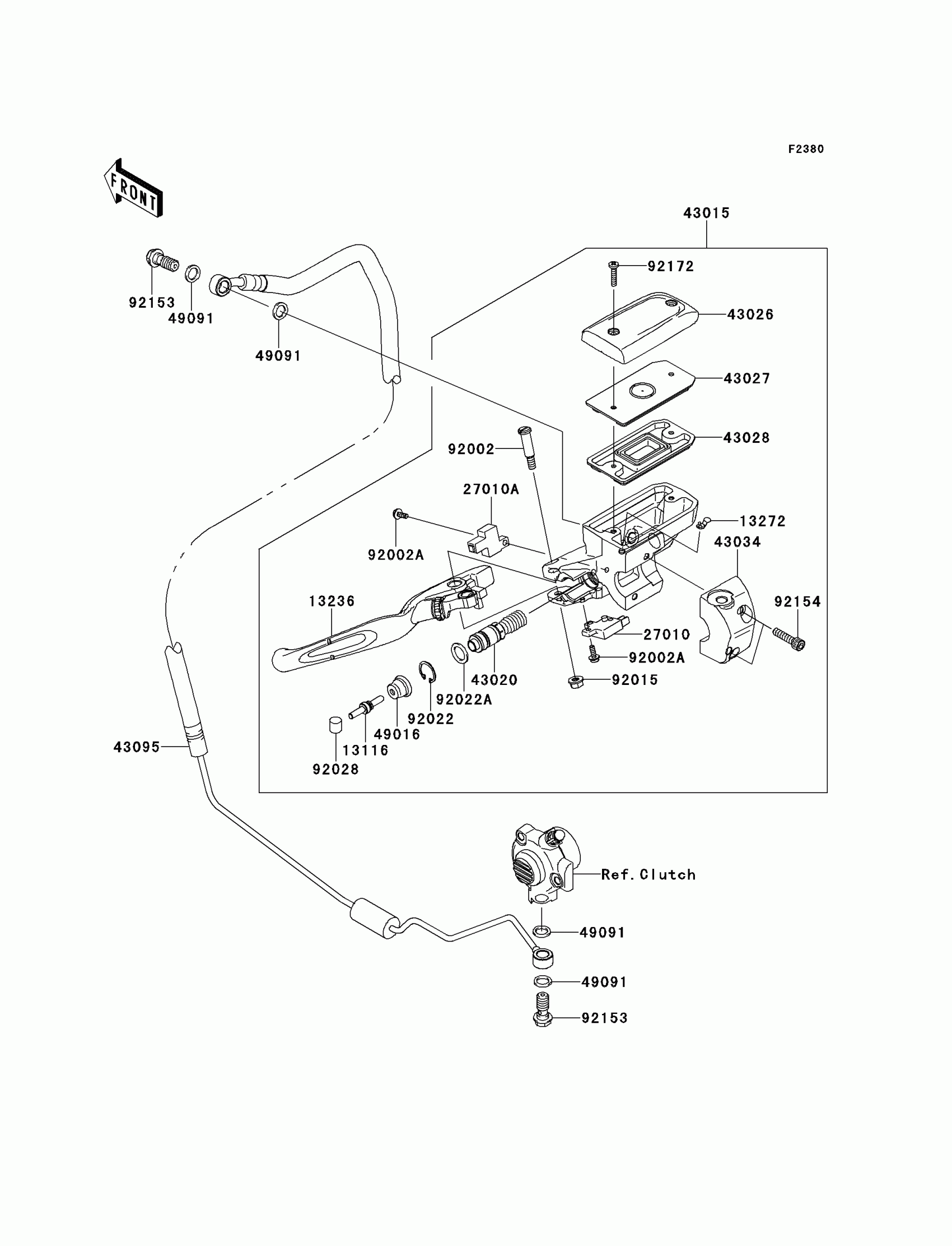
Clutch Master Cylinder
Kawasaki VULCAN® 1700 NOMAD™ Clutch Master Cylinder Diagram
#
Description
Price
Clutch Master Cylinder
#
Edit ride
