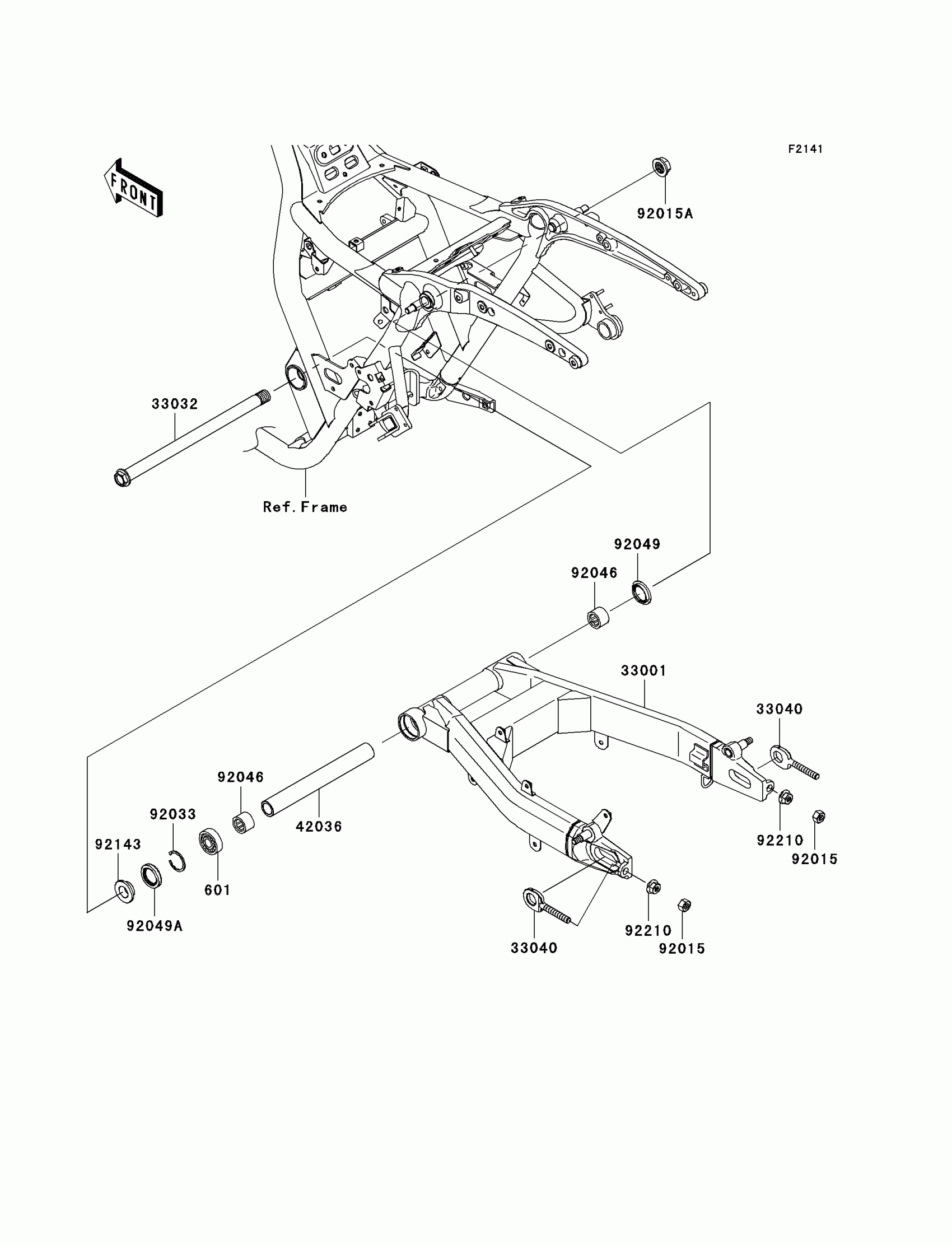
Partiron

Kawasaki VULCAN® 1700 CLASSIC Swingarm Diagram

#

Description
Price

601

BEARING-BALL,#6004

601A6004

$11.91

33001

ARM-COMP-SWING,F.S.BLACK

33001-0210-18R

$731.89

33032

SHAFT-SWING ARM

33032-0031

$64.67

33040

ADJUSTER-CHAIN

33040-0005

$41.01

42036

SLEEVE,SWING ARM,L=235.5

42036-0059

$43.39

92015

NUT,LOCK,10MM

92015-1494

$6.22

92015A

NUT,FLANGED,20MM

92015-1724

$14.90

92033

RING-SNAP,42MM

92033-1041

$6.16

92046

BEARING-NEEDLE,BM2824

92046-1202

$25.10

92049

SEAL-OIL,28X34X5.7

92049-1181

$9.28

92049A

SEAL-OIL,TC28426.5

92049-1185

$9.28

92143

COLLAR,SWING ARM,RH,L=12.5

92143-1727

$19.64

92210

NUT,FLANGED,10MM

92210-0349

$2.15