- Partiron
- OEM Parts
- Kawasaki
- motorcycle
- 2010
- Vulcan® 1700 Classic LT
Fuel Injection
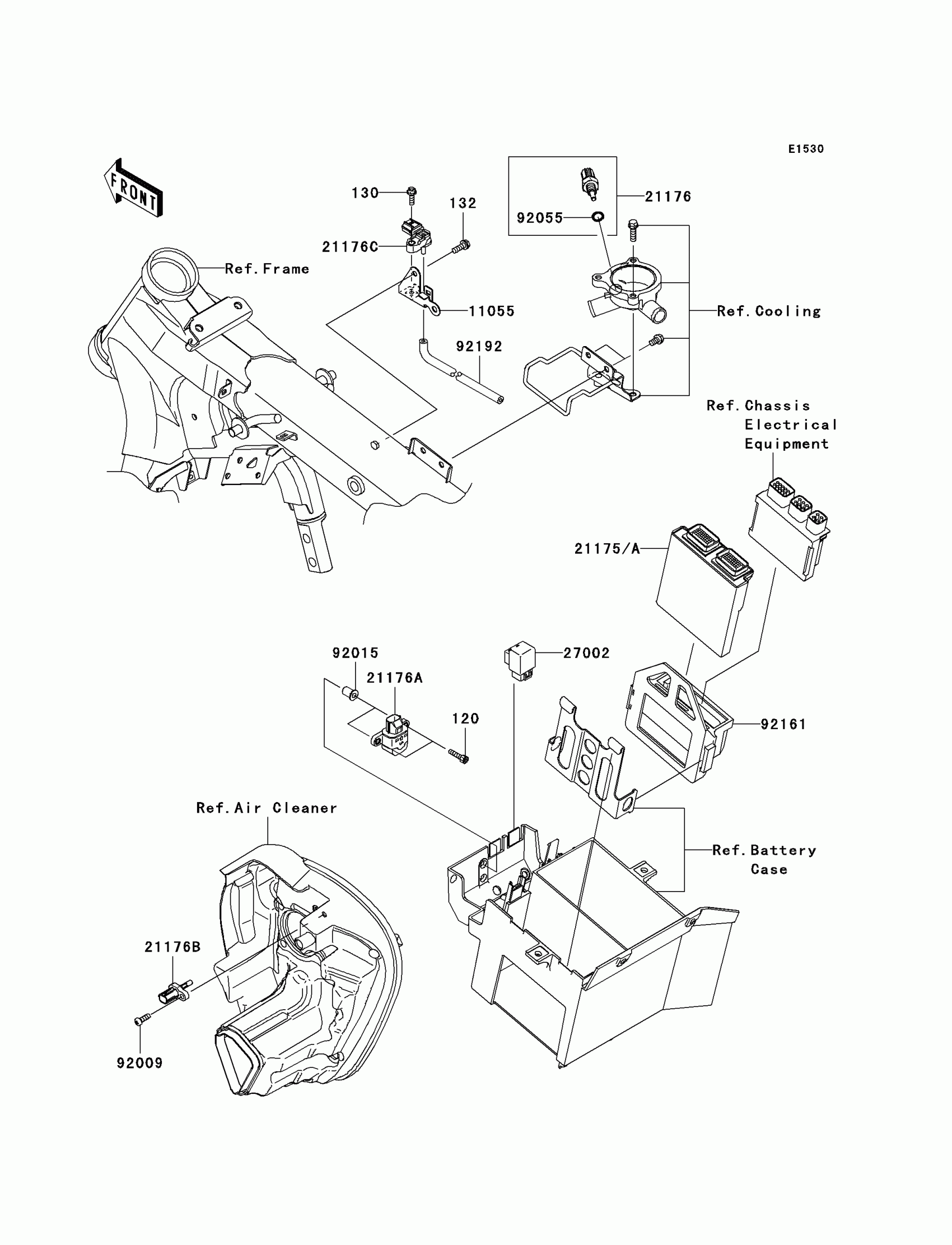
Kawasaki Vulcan® 1700 Classic LT Fuel Injection Diagram
#
Description
Price
21175A
CONTROL UNIT-ELECTRONIC
21175-0316
Unavailable
