- Partiron
- OEM Parts
- Kawasaki
- motorcycle
- 2005
- Vulcan 1600 Nomad
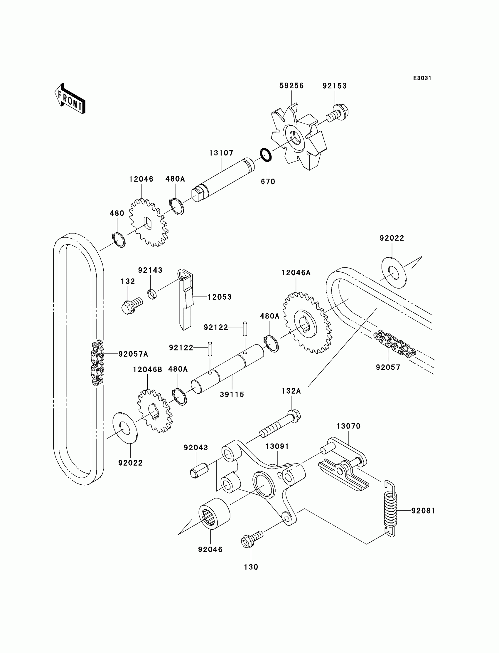
Water Pump
Kawasaki Vulcan 1600 Nomad Water Pump Diagram
#
Description
Price
130
BOLT-FLANGED,5X14
130D0514
Unavailable
Water Pump
#
130
130D0514
Unavailable
Edit ride
